11年專業銷售工程師-徐工
15年專業銷售工程師-謝工
9年專業銷售工程師-王工
6年銷售工程師-張工
項目產品選型、技術指導高級電器工程師-李工
| 分類 | |
| 品牌 |
| 分類 | |
| 品牌 |
| 分類 | |
| 品牌 |
| 分類 |
|
| 品牌 |
|
優勢一:廣州南創是一家大型傳感器、儀器儀表、工業備品備件供應商!中國傳感器聯合會誠信“AAA”級成員,多家世界知名傳感企業中國市場開拓核心合作伙伴;
優勢二:完善的全國銷售服務網絡:12個區域辦事處、20個分公司、遍布全國的售后服務網點,為您及時便捷實現上門無憂售后服務;
優勢三:為國內多家知名大中型工業企業、航天工業企業提供國際工業自動化控制檢測設備及工業稱重系統和傳感器設備儀表,緊密依托中科院及清華大學的技術支持合作交流。技術、產品可靠值得信賴;
優勢四:鄭重承諾:三個月內產品有質量問題無條件退換貨;
優勢五:資深工程師為您提供全方位完善的一條龍銷售服務指導,售前專業方案設計、產品選型指導,售中安裝調試,售后三年上門免費跟蹤維修服務;
優勢六:全國優勢價格支持銷售,凡在我們公司購買產品,如果同類產品高于主流市場價格,我們雙倍補還差價,性價比高!
優勢七:我公司在國外設有7個境外專業采購中心,保證原裝進口,貨期快捷,價格具有優勢,可靠、放心
優勢八:我公司代理經銷169個品牌,全國同類產品系列全、品種多、多家知名企業中國合作伙伴代理。
關于HM9B-C3-20t-12B稱重傳感器,詳情可點擊:美國ZEMIC稱重傳感器;查找了解稱HM9B-C3-20t-12B重傳感器傳感器具體參數技術及相關系列產品型號等信息。
B8Q-1000kg ZEMIC稱重傳感器產品性能特點描述:
ZEMIC HM9B-C3-20t-12B稱重傳感器產品圖片:

產品類型: 稱重傳感器系列
產品名稱:美國ZEMIC HM9B-C3-20t-12B稱重傳感器
產品品牌:美國ZEMIC稱重傳感器
產品型號:HM9B-C3-20t-12B
特性:
HM9B-C3-20t-12B傳感器穩定性好,滿度、零位長期穩定性可達0.1%FS/年。在補償溫度0~70℃范圍內,溫度飄移低于0.1%FS,在整個允許工作溫度范圍內低于0.3%FS。具有反向保護、限流保護電路,在安裝時正負極接反不會損壞變送器,異常時送器會自動限流在35MA以內。固態結構,無可動部件,高可靠性,使用壽命長。安裝方便、結構簡單、經濟耐用。
美國HM9B-C3-20t-12B稱重傳感器相關技術參數:
供電電源:15~36 VDC(標定電壓24VDC)
稱重傳感器輸出信號:(4~20)mA、(0~10/20)mA
控制方式:常閉、常開
輸出電阻Ω700±7
測量介質: 非腐蝕性氣體等介質。
測量范圍: 0~250Pa -500Pa~500Pa 0~2.5kPa 或其它量程
長期穩定性: 不大于0.2%FS/年
溫度補償范圍-10ºC to + 40ºC
HM9B-C3-20t-12B傳感器供電電源 24V DC±10%
安全載荷150%
輸出形式 1、電流輸出: 4~20mA 0~10mA DC 2、電壓輸出:0~5V 1~5V DC
綜合精度 1、0.1%FS 2、 0.3% FS 3、 0.5%FS
輸出信號4—20mA(二線制)或 0—10mA(三線制)
工作溫度范圍: -40~80℃
可用溫度范圍-10ºC to + 70ºC
響應時間平均值≤350mS 真有效值≤100mS
推薦激勵電壓V5〜12
勵磁最大V18
HM9B-C3-20t-12B傳感器安裝方式TS35mm導軌安裝,或用螺釘固定在柜體上
環境溫度工作:-25~+70℃;存貯:-40~+80
濕度≤90%RH,不結露,無腐蝕性氣體場所
過載能力:量程的2~5倍
存貯溫度: -40~120 ℃
精度等級:0.1、0.25、0.5
長期穩定性:小于0.3%FS/年
負載能力:電流型≤500W; 電壓型 ≥100KW
HM9B-C3-20t-12B傳感器測量和傳力稱重傳感器一樣不受流體密度、粘度、溫度、壓力和電導率變化影響
精度等級: 典型±0.25%FS,最大±0.5%FS (包含非線化、遲滯性和重復性)
過載能力: 同一量程代號的上限量程的2倍
國際標準電壓:AC(380、240、220、24)V、DC(110、24)V
流通流體溫度: <+60℃、<+120℃、<+200℃
流通流體壓力:-0.1bar,真空
FS≤±1.5%的結余為零
輸入電阻Ω700±7
技術參數圖:

美國HM9B-C3-20t-12B稱重傳感器分辨力感受到的被測量的最小變化的能力,也就是說,如果輸入量從某一非零值緩慢地變化。當輸入變化值未超過某一數值時,傳感器的輸出不會發生變化,即傳感器對此輸入量的變化是分辨不出來的。只有當輸入量的變化超過分辨力時,其輸出才會發生變化。
除ZEMIC HM9B-C3-20t-12B稱重傳感器之外的其它相與HM9B-C3-20t-12B傳感器相關聯的型號:
CBES-1t CBES-2t CBES-3t CBES-5tf CBES-10tf CBES-20tf
OSBHA-5klbs OSBHA-10klbs OSBHA-20klbsOSBHB-1000kg
TRC-50kg TRC-100kg TRC-1000kg TRC-300kg TRC-500kg
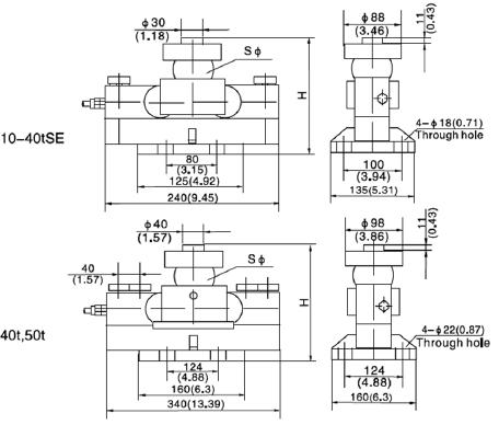
產品尺寸圖:

一體化HM9B-C3-20t-12B稱重傳感器一般由測溫探頭(熱電偶或熱電阻傳感器)和兩線制固體電子單元組成。采用固體模塊形式將測溫探頭直接安裝在接線盒內,從而形成一體化的變送器。一體化溫度變送器一般分為熱電阻和熱電偶型兩種類型。
本站內容未經許可禁止復制轉載!©2002 廣州南創電子科技有限公司
聯系電話:020-82303306 公司傳真:020-82303511下班及雙休日請撥打各品牌負責人電話電話詳情
備案號: 粵ICP備11086172號-1