" />
11年專業銷售工程師-徐工
15年專業銷售工程師-謝工
9年專業銷售工程師-王工
6年銷售工程師-張工
項目產品選型、技術指導高級電器工程師-李工
| 分類 | |
| 品牌 |
| 分類 | |
| 品牌 |
| 分類 | |
| 品牌 |
| 分類 |
|
| 品牌 |
|
優勢一:廣州南創是一家大型傳感器、儀器儀表、工業備品備件供應商!中國傳感器聯合會誠信“AAA”級成員,多家世界知名傳感企業中國市場開拓核心合作伙伴;
優勢二:完善的全國銷售服務網絡:12個區域辦事處、20個分公司、遍布全國的售后服務網點,為您及時便捷實現上門無憂售后服務;
優勢三:為國內多家知名大中型工業企業、航天工業企業提供國際工業自動化控制檢測設備及工業稱重系統和傳感器設備儀表,緊密依托中科院及清華大學的技術支持合作交流。技術、產品可靠值得信賴;
優勢四:鄭重承諾:三個月內產品有質量問題無條件退換貨;
優勢五:資深工程師為您提供全方位完善的一條龍銷售服務指導,售前專業方案設計、產品選型指導,售中安裝調試,售后三年上門免費跟蹤維修服務;
優勢六:全國優勢價格支持銷售,凡在我們公司購買產品,如果同類產品高于主流市場價格,我們雙倍補還差價,性價比高!
優勢七:我公司在國外設有7個境外專業采購中心,保證原裝進口,貨期快捷,價格具有優勢,可靠、放心
優勢八:我公司代理經銷169個品牌,全國同類產品系列全、品種多、多家知名企業中國合作伙伴代理。
關于H3C-C3-20T稱重傳感器,詳情可點擊:美國ZEMIC稱重傳感器;查找了解稱H3C-C3-20T稱重傳感器傳感器的具體參數,技術及相關系列產品型號等信息。
產品性能特點描述:
ZEMIC H3C-C3-20T稱重傳感器產品圖片:

產品名稱:美國ZEMIC H3C-C3-20T稱重傳感器
產品類型: 稱重傳感器系列
產品型號:H3C-C3-20T特性:
H3C-C3-20T稱重傳感器檢測電路的功能是把電阻應變片的電阻變化轉變為電壓輸出。因為惠斯登電橋具有很多優點,如可以抑制溫度變化的影響,可以抑制側向力干擾,可以比較方便的解決稱重傳感器的補償問題等,所以惠斯登電橋在稱重傳感器中得到了廣泛的應用。
美國ZEMIC H3C-C3-20T稱重傳感器相關技術參數:
濕度≤90%RH,不結露,無腐蝕性氣體場所
H3C-C3-20T稱重傳感器工作電源:+10V
環境溫度工作:-25~+60℃;存貯:-60~+80℃
環境溫度:-30℃~70℃
輸出信號5—30mA(二線制)或 0—10mA(三線制)
溫度調節范圍: 50℃-600℃
輸入電壓頻率: 240V/120V 50Hz/70Hz
H3C-C3-20T稱重傳感器環境溫度工作:-25~+70℃;存貯:-40~+80
偏心負載誤差0.0020 0.0050 0.0033 ± %額定載荷/厘米
額定輸出3.0mV/V ±0.25%
推薦激勵電壓V6?13
接收溫濕度信號 1~6路模擬信號
輸出電壓頻率: 36VAC 400KHz
H3C-C3-20T稱重傳感器勵磁最大V20
國際標準電壓:AC(380、240、220、24)V、DC(110、24)V
零點平衡±1% of rated output
工作溫度范圍 :-20℃~+70℃
流通流體溫度: <+140℃、<+250℃<+80℃、
工作電流:<30mA
過程溫度:-40℃~150℃
溫度穩定度(空載): ±3℃
最大安全中心超載150 %的鋼筋砼
負載能力:(電流型)250~1425Ω(電壓型)≥2KΩ
H3C-C3-20T稱重傳感器補償溫度范圍-10至+40°C
溫度范圍,運行階段°C-35?+65
補償溫度范圍°C-10?+40
H3C-C3-20T稱重傳感器蠕變±0.03% of rated output
接收溫濕度開關量信號 1~4路開關信號
簡易運算、PV/SV狀態顯示功能、簡易程序功能、冷卻系數。
H3C-C3-20T稱重傳感器長期穩定性: 不大于0.2%FS/年
輸出0.0011 0.00030 0.0010 ±%的應用負載/°C的溫度影響
絕緣電阻MΩ≥5000(50VDC)
非線性±0.003% of rated output
過載能力:量程的3~8倍
流通流體壓力:-0.1bar,真空
技術參數圖:

ZEMIC H3C-C3-20T稱重傳感器通過測試數據傳輸或接收指令來實現各項功能。如增益的設置、補償參數的設置、內檢參數設置、測試數據輸出,具有反向保護、限流保護電路,在安裝時正負極接反不會損壞變送器,異常時送器會自動限流在37MA以內。線性無盲區,高精度,傳輸距離長,抗干擾能力強,安裝方便。
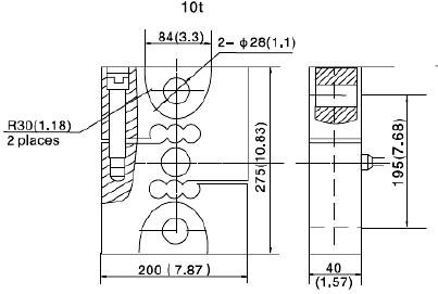
產品尺寸圖:

除ZEMICH3C-C3-20T稱重傳感器之外的其它相與H3C-C3-20T傳感器相關聯的型號:
L6J 0.3/0.4/0.5/0.6/1/3 KG
L6W 50/75/100/150/200/250/300/500/635 KG
OSBH 10klbs OSBHA-20klbsOSBHB-200kgf OSBHB
OSBH 2klb OSBHC-4klbs OSBHC-5klbs OSBHC-10klbs
YB9 0.05, 0.1, 0.15, 0.2, 0.3 MPa
YB1 1,1.5,2,3,3.5,4,5,6,8,10,12,15,20 MPa
HM14 C3-30t-13B6,HM14C-C3-50t-13B6
YB6A 3,4,5,6,7,8,10,12,15,20,25 MPa
ZEMICH3C-C3-20T稱重傳感器輸入、輸出多樣性:可以輸入單或雙電源,其電壓值自和美國傳力稱重傳感器相似:5V~24V或±5V~±15V;輸出信號電壓自20mV~10V或±20mV~±10V;輸出信號電流;4~20mA或0~10mA,并且具有良好的恒流特性。輸出信號頻率:0~10000Hz(TTL電平方波。
本站內容未經許可禁止復制轉載!©2002 廣州南創電子科技有限公司
聯系電話:020-82303306 公司傳真:020-82303511下班及雙休日請撥打各品牌負責人電話電話詳情
備案號: 粵ICP備11086172號-1