11年專業銷售工程師-徐工
15年專業銷售工程師-謝工
9年專業銷售工程師-王工
6年銷售工程師-張工
項目產品選型、技術指導高級電器工程師-李工
| 分類 | |
| 品牌 |
| 分類 | |
| 品牌 |
| 分類 | |
| 品牌 |
| 分類 |
|
| 品牌 |
|
優勢一:廣州南創是一家大型傳感器、儀器儀表、工業備品備件供應商!中國傳感器聯合會誠信“AAA”級成員,多家世界知名傳感企業中國市場開拓核心合作伙伴;
優勢二:完善的全國銷售服務網絡:12個區域辦事處、20個分公司、遍布全國的售后服務網點,為您及時便捷實現上門無憂售后服務;
優勢三:為國內多家知名大中型工業企業、航天工業企業提供國際工業自動化控制檢測設備及工業稱重系統和傳感器設備儀表,緊密依托中科院及清華大學的技術支持合作交流。技術、產品可靠值得信賴;
優勢四:鄭重承諾:三個月內產品有質量問題無條件退換貨;
優勢五:資深工程師為您提供全方位完善的一條龍銷售服務指導,售前專業方案設計、產品選型指導,售中安裝調試,售后三年上門免費跟蹤維修服務;
優勢六:全國優勢價格支持銷售,凡在我們公司購買產品,如果同類產品高于主流市場價格,我們雙倍補還差價,性價比高!
優勢七:我公司在國外設有7個境外專業采購中心,保證原裝進口,貨期快捷,價格具有優勢,可靠、放心
優勢八:我公司代理經銷169個品牌,全國同類產品系列全、品種多、多家知名企業中國合作伙伴代理。
關于BT-A-20T傳感器,詳細信息請點擊:Amcells傳感器;可查找了解BT-A-20T稱重傳感器具體技術參數及相關系列產品型號等信息。
BT-A-20T稱重傳感器產品圖片:
BT-A-20T稱重傳感器是一種常用的傳感器,被廣泛應用于航空航天,石化、醫療,船舶和許多其他領域。BT-A-20T傳感器在使用的時候,有許多知識是你需要了解的,其中BT-A-20T稱重傳感器應變特性是最重要的,下面給大家具體介紹一下BT-A-20T稱重傳感器
BT-A-20T稱重傳感器的靈活的敏感元件是它的核心優勢,沒有永久變形的風險,以完成轉換過程通常被稱為彈性原始力,因此,BT-A-20T稱重傳感器是由一個彈性應變傳感器和應變計的敏感元件的兩個部分。有高靈活性原有的彈性儲能,通常表示為一個存儲彈性材料變形的工作。
BT-A-20T傳感器的測量范圍比很多的電感式傳感器都要大,它不僅可以檢測金屬目標,還檢測的到電介質,如水,木材,塑料,和玻璃,即使穿過墻或紙板進行測試也沒問題。因為人體是相當于在低頻率的電導體,于是就出現了防盜報警和人體測量。
BT-A-20T稱重傳感器測量構件的應變,應變片直接固定到部件,但測量力,加速度,和其他信號,這些數量應被首先轉化為應變力,應變儀可以測量,越過直接測量的轉換過程,BT-A-20T傳感器具有良好的機械加工和熱處理性能,具有較強的實力。
BT-A-20T稱重傳感器的安裝事項:
傳感器的正確安裝,影響到傳感器的性能,特別是小規模傳感器,更要注意避免安裝受到大的操控 力的影響,損害傳感器的應變片。在安裝BT-A-20T稱重傳感器的時候,轉矩的大小要有匹配大小的螺釘,以防止在彈性體線程拉壞;如果彈性體應變梁不平 或應變片貼的位置偏差,導致錯誤四個角的厚度較大,但也要注意強制調整不當會引起傳感器變化和導致不穩定。彈性體和標度支架的接合表面,不能有突起或毛 刺;角模具調整相對于所述傳感器的中心位置的,秤架匹配的位置。在傳感器的受力情況下注意零點溫度補償,安裝后,研究注意力傳感器在零溫度的情況下可能會 發生變化。
BT-A-20T稱重傳感器的優點:
1,測量范圍廣,精度高,稱重傳感器可以測量0.01 - 1000000N力,精度可達到超過0.05 % FS ; 0.1-1000000 BT-A-20T傳感器可以測量精度為0.1 % FS
2,頻率響應特性是優良的。BT-A-20T稱重傳感器采用電阻應變式,BT-A-20T稱重傳感器適合地上衡、灌體秤、軸重秤等,在惡劣的環境條件下,長期穩定。
3,性能穩定可靠,壽命長,機械杠桿,如稱重,由于杠桿葉片和其他一些相互摩擦損耗和失真,要保持其長期的精度是非常困難的,一般電阻應變片的響應時間0.01MS ,BT-A-20T傳感器的半導體應變片可以達到0.001ms的彈性,如果他們能采取措施從原來的配置應變式傳感器可以測量幾十個甚至幾百千赫kHz的動態過程。
廣州南創主營傳感器,我們公司以及整個自動化行業的衡器行業,公司注重人才的培養,員工本公司為您提供一流的技術工程師為您提供的解決方案,成為中國電器行業的領先供應商。托利多稱重傳感器,稱重儀表,稱重顯示控制器,接線盒,稱重模塊等,分布國外優質品牌的電氣和機械設備,儀器儀表,五金工具,
BT-A-20T稱重傳感器產品性能特點描述:
產品品牌:美國柯力 BT-A-20T傳感器
產品名稱:柯力 BT-A-20T橋式稱重傳感器
產品類型:BT-A-20T橋式稱重傳感器
產品型號:BT-A-20T
應用場合:地上衡、灌體秤、軸重秤
BT-A-20T稱重傳感器主要技術參數:

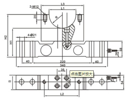
BT-A-20T稱重傳感器產品結構安裝規格尺寸圖:
BT-A-20T稱重傳感器的相關型號:
BT-A 30klb 50klb 60klb 75klbSCE 3t
XZB 3t 25t BTGE 3t DES-B 10t 15t
BT-A 0.22t 0.55t 1.1t 1.76t 2t 2.2t 4.4t SBRB 1.2t
SBZ/SBZ-A 0.5t 1t 2t 3t 5t 1.5t 2.5t SBB 0.5t 1.2t
除BT-A-20T傳感器之外的其它相關產品及型號:
NTS荷重傳感器,NTS-LCS-H荷重傳感器
TSC-100 TSC-100傳感器 Mettler Toledo/托利多TSC-100稱重傳感器
本站內容未經許可禁止復制轉載!©2002 廣州南創電子科技有限公司
聯系電話:020-82303306 公司傳真:020-82303511下班及雙休日請撥打各品牌負責人電話電話詳情
備案號: 粵ICP備11086172號-1