11年專業銷售工程師-徐工
15年專業銷售工程師-謝工
9年專業銷售工程師-王工
6年銷售工程師-張工
項目產品選型、技術指導高級電器工程師-李工
| 分類 | |
| 品牌 |
| 分類 | |
| 品牌 |
| 分類 | |
| 品牌 |
| 分類 |
|
| 品牌 |
|
優勢一:廣州南創是一家大型傳感器、儀器儀表、工業備品備件供應商!中國傳感器聯合會誠信“AAA”級成員,多家世界知名傳感企業中國市場開拓核心合作伙伴;
優勢二:完善的全國銷售服務網絡:12個區域辦事處、20個分公司、遍布全國的售后服務網點,為您及時便捷實現上門無憂售后服務;
優勢三:為國內多家知名大中型工業企業、航天工業企業提供國際工業自動化控制檢測設備及工業稱重系統和傳感器設備儀表,緊密依托中科院及清華大學的技術支持合作交流。技術、產品可靠值得信賴;
優勢四:鄭重承諾:三個月內產品有質量問題無條件退換貨;
優勢五:資深工程師為您提供全方位完善的一條龍銷售服務指導,售前專業方案設計、產品選型指導,售中安裝調試,售后三年上門免費跟蹤維修服務;
優勢六:全國優勢價格支持銷售,凡在我們公司購買產品,如果同類產品高于主流市場價格,我們雙倍補還差價,性價比高!
優勢七:我公司在國外設有7個境外專業采購中心,保證原裝進口,貨期快捷,價格具有優勢,可靠、放心
優勢八:我公司代理經銷169個品牌,全國同類產品系列全、品種多、多家知名企業中國合作伙伴代理。

• 主要特征:
• 容量2噸到1000噸
• 準確度<±0.1%
• 密封到IP65
• 健壯的建筑
• 潛水版本可用
• 有競爭力的價格
• 3年保修
• 高精度柱式壓縮載荷/力傳感器
DBEP 0.1%精度系列柱壓式稱重傳感器設計用作其他稱重傳感器校準的參考標準,或用于高精度測量和高精度性能最高的大容量稱重應用。 他們簡單的專欄設計和被密封的建筑保證在最艱苦的情況下優秀抵抗。
這些高精度稱重傳感器可選配潛水版本和帶有板載信號調節的型號。 如果需要,DBEP高精度稱重傳感器可以提供由UKAS實驗室頒發的BS EN ISO 376校準證書。
選項:
• 完全潛水IP67或IP68額定
• 其他范圍可根據要求提供
• 等同于其他制造商
• 全系列安裝選項:自定義/標準加載帽,自定義安裝基座
• 校準到BS EN ISO376
• 集成信號放大器的版本
• 分流校準
• 不同的電纜長度
• 內部信號放大器
• TEDS(傳感器電子數據表)
• TEDS允許即插即用TEDS啟用儀器。
• USB版本(通過DSC-USB)
• 真空應用版本
• 單通道或多通道基于PC的監測和數據記錄系統
• 無線版本(通過T24儀器)
應用:
• 參考標準
• 高容量稱量應用
• 筒倉稱重
• 樁力測量
• 重型杰克調平系統
• 按下校準
• 重心(CoG)測量系統
• 高容量多點稱重系統

英國AML_DBEP防水_英國DBEP潛水_DBEP拉壓稱重傳感器接線方式:

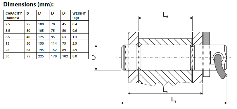
英國AML_DBEP防水_英國DBEP潛水_DBEP拉壓稱重傳感器尺寸:

相關產品有:
DBEP-1t-003-000
DBEP-2.5t-003-000
DBEP-3.5t-003-000
DBEP-6.5t-003-000
DBEP-15t-003-000
DBEP-25t-003-000
DBEP-50t-003-000
本站內容未經許可禁止復制轉載!©2002 廣州南創電子科技有限公司
聯系電話:020-82303306 公司傳真:020-82303511下班及雙休日請撥打各品牌負責人電話電話詳情
備案號: 粵ICP備11086172號-1