寧波柯力稱重傳感器BTB-ASS-3t BTB-ASS-7.5t BTB-ASS-8t
寧波柯力BTB-ASS-3t傳感器更多產品詳細資料請點擊:寧波柯力稱重傳感器,進入頁面可查找柯力傳感器型號、柯力稱重傳感器技術參數選型資料,以及寧波柯力傳感器具體安裝技術指導信息。INg廣州南創電子科技有限公司INg廣州南創電子科技有限公司名稱:寧波柯力稱重傳感器BTB-ASS-3t
INg廣州南創電子科技有限公司品牌:寧波柯力 美國suncells 美國mkcells 英國OAP
INg廣州南創電子科技有限公司供應商:
廣州南創電子科技有限公司INg廣州南創電子科技有限公司INg廣州南創電子科技有限公司購買寧波寧波柯力柯力 BTB-ASS-3t稱重傳感器請務必認準【廣州★南創】銷售商官網,全國服務電話:020-82303306,我們鄭重承諾:“三個月內不滿意隨時無條件退換貨,退還全部貨款,不收任何費用,質保兩年,提供終身免費維護!”INg廣州南創電子科技有限公司產品型號:BTB-ASS-3t稱重傳感器
INg廣州南創電子科技有限公司產品系列:BTB-ASS稱重傳感器
INg廣州南創電子科技有限公司產品規格:多規格
INg廣州南創電子科技有限公司
INg廣州南創電子科技有限公司寧波柯力 BTB-ASS-3t稱重傳感器特點:INg廣州南創電子科技有限公司懸臂梁式稱重傳感器
INg廣州南創電子科技有限公司彈性體采用優質合金鋼材料
INg廣州南創電子科技有限公司材質可選:合金鋼,不銹鋼
INg廣州南創電子科技有限公司安裝方便,高防護等級
INg廣州南創電子科技有限公司量程可選:0.3t/0.5t/1t/2t/3t/5t/7.5t/8t/10t/15t/20t/25t
INg廣州南創電子科技有限公司廣泛應用于汽車衡、平臺秤、配料秤及各種專用衡器
INg廣州南創電子科技有限公司INg廣州南創電子科技有限公司寧波寧波柯力BTB-ASS-3t稱重傳感器系列量程:INg廣州南創電子科技有限公司寧波柯力稱重傳感器BTB-ASS-0.3t
INg廣州南創電子科技有限公司寧波柯力稱重傳感器BTB-ASS-0.5t
INg廣州南創電子科技有限公司寧波柯力稱重傳感器BTB-ASS-1t
INg廣州南創電子科技有限公司寧波柯力稱重傳感器BTB-ASS-2t
INg廣州南創電子科技有限公司寧波柯力稱重傳感器BTB-ASS-3t
INg廣州南創電子科技有限公司寧波柯力稱重傳感器BTB-ASS-5t
INg廣州南創電子科技有限公司寧波柯力稱重傳感器BTB-ASS-7.5t
INg廣州南創電子科技有限公司寧波柯力稱重傳感器BTB-ASS-8t
INg廣州南創電子科技有限公司寧波柯力稱重傳感器BTB-ASS-10t
INg廣州南創電子科技有限公司寧波柯力稱重傳感器BTB-ASS-15t
INg廣州南創電子科技有限公司寧波柯力稱重傳感器BTB-ASS-20t
INg廣州南創電子科技有限公司寧波柯力稱重傳感器BTB-ASS-25t
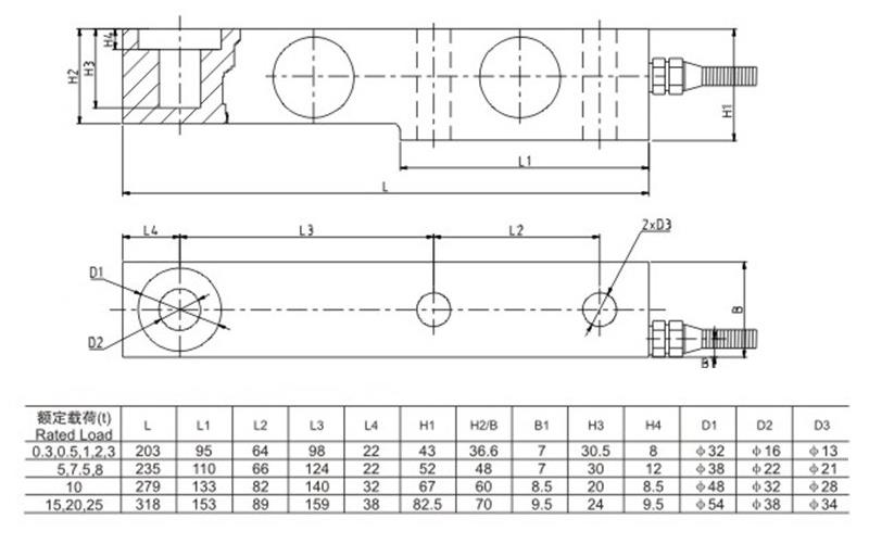
INg廣州南創電子科技有限公司 INg廣州南創電子科技有限公司寧波柯力稱重傳感器BTB-ASS-3t產品技術參數及尺寸圖:INg廣州南創電子科技有限公司
INg廣州南創電子科技有限公司INg廣州南創電子科技有限公司寧波柯力稱重傳感器相關型號:INg廣州南創電子科技有限公司BTB-ASS BTB-ASS-0.3t BTB-ASS-0.5t BTB-ASS-1t BTB-ASS-2t BTB-ASS-3t BTB-ASS-5t BTB-ASS-7.5t BTB-ASS-8t BTB-ASS-10t BTB-ASS-15t BTB-ASS-20t BTB-ASS-25t
稱重傳感器 INg廣州南創電子科技有限公司SCG-0.85t傳感器 QSE-A-30klb傳感器 SCNF-AX-2t傳感器 QSNB-A-10t傳感器 QS-A-40t傳感器 QS-ZCB-10t傳感器 XZB-A-15t傳感器 QS-ASS-25t傳感器 QS-40t傳感器 QSN-A-30t傳感器 XZE-800kg傳感器 SCNC-A-2t傳感器 QSEB-A-25klb傳感器 BTA-SS-50t傳感器 QSEB-SS-50klb傳感器 BTW-A-4t傳感器 XZB-A-20t傳感器 QSNB-A-30t傳感器 BTW-A-10t傳感器 XZB-2t傳感器 SCK-45kg傳感器 GG-A-40t傳感器 QSE-ASS-50klb傳感器 QS-A-10t傳感器 FB-SCNB-2t傳感器 XZB-3t傳感器 SCK-15kg傳感器 BTA-D-40t傳感器 BTA-SS-40t傳感器 QSB-A-11t傳感器 SC-45KG傳感器 QSG-A-25t傳感器 SCEB-A-2t傳感器 QSG-A-3t傳感器 QS-ZCB-30t傳感器 BTA-SS-20t傳感器 BTA-SS-15t傳感器 QSEF-60klb傳感器 BTW-A-2.5t傳感器 QSC-A-20klb傳感器 QSB-ASS-11t傳感器 SC-60KG傳感器 BTGE-3t傳感器 QSNB-A-25t傳感器 QSF-A-3klb傳感器 pst-10t傳感器 QSC-ASS-10klb傳感器 QSF-A-2klb傳感器 QS-ASS-10t傳感器 FB-SCNB-1t傳感器 BTKB-600kg傳感器 QSK-A-10t傳感器 QSMC-200t傳感器 BTA-50t傳感器 QSMC-100t傳感器 QSEB-SS-100klb傳感器 BTA-15t傳感器 QSFB-A-20t傳感器 SCG-350kg傳感器 SCE-ASS-3t傳感器 QS-A-20t傳感器 QSEC-ASS-50klb傳感器 QSEF-25klb傳感器 QSF-ASS-2.5klb傳感器 BTGB-A-30t傳感器 BTA-25t傳感器 SCE-A-3t傳感器 QSEC-ASS-75klb傳感器 XZBK-AX-3t傳感器 QSC-ASS-5klb傳感器 QS-ZCB-20t傳感器 DTE-A-5t傳感器 QSN-A-20t傳感器 BTA-5t傳感器 QS-ASS-40t傳感器 QS-ASS-20t傳感器 SCG-1300kg傳感器 QSEF-100klb傳感器 sqb-ss-5t傳感器 QSC-A-50klb傳感器 QSEB-A-100klb傳感器 SCK-30kg傳感器 QSB-ASS-10klb傳感器 XZNZB-A-15Kn傳感器 QSEF-50klb傳感器 pst-100kg傳感器 pst-a-50kg傳感器 稱重傳感器QS QS稱重傳感器 稱重傳感器QS-D 稱重傳感器QS-D型 稱重傳感器QS-A 稱重傳感器QS-ASS QS-D稱重傳感器 QS-D型稱重傳感器 稱重傳感器QS-ZCB 柯力pst-S稱重傳感器 柯力pst-ASS稱重傳感器 pst-ASS稱重傳感器 寧波柯力稱重傳感器pst-S 寧波柯力稱重傳感器pst-ASS 柯力稱重傳感器pst-S 柯力稱重傳感器pst-ASS pst-S型稱重傳感器 pst-S稱重傳感器 pst-ASS型稱重傳感器 柯力稱重傳感器LFSM 柯力稱重傳感器LFSC-A 柯力稱重傳感器LFS-A 柯力稱重傳感器ILK 柯力稱重傳感器ILGB 柯力稱重傳感器ILCB 柯力稱重傳感器IL 柯力稱重傳感器HSX-SS 柯力稱重傳感器QS 柯力稱重傳感器pst-a 柯力稱重傳感器PST 柯力稱重傳感器NKE-SS 柯力稱重傳感器NHS-SS 柯力稱重傳感器NHS-A 柯力稱重傳感器MBB 柯力稱重傳感器LS 柯力稱重傳感器SQBG-A 柯力稱重傳感器SQB 柯力稱重傳感器SBJ-A 柯力稱重傳感器SBI-A 柯力稱重傳感器SBB
INg廣州南創電子科技有限公司INg廣州南創電子科技有限公司其他品牌產品推薦如下:INg廣州南創電子科技有限公司Hmcells傳感器INg廣州南創電子科技有限公司Laumas稱重傳感器INg廣州南創電子科技有限公司utilcell稱重傳感器INg廣州南創電子科技有限公司自動化稱重配料控制系統INg廣州南創電子科技有限公司BLH傳感器INg廣州南創電子科技有限公司SUNCELLS傳感器INg廣州南創電子科技有限公司諾貝爾傳感器INg廣州南創電子科技有限公司
美國AC稱重傳感器INg廣州南創電子科技有限公司Revere稱重傳感器INg廣州南創電子科技有限公司自動配料系統INg廣州南創電子科技有限公司稱重顯示控制儀表INg廣州南創電子科技有限公司INg廣州南創電子科技有限公司寧波柯力稱重傳感器BTB-ASS-3t相關知識拓展閱讀:INg廣州南創電子科技有限公司寧波柯力BTB-ASS 3t BTBASS3t稱重傳感器在日常生活中的運用是比較廣泛的,如果說你的稱重傳感器一直是正常運用,一般是不會出現什么毛病,且壽命比較長。但如果往常沒有留意規范運用稱重傳感器,時間一長自然就會出現電子稱重傳感器的稱重儀表老化現象。
INg廣州南創電子科技有限公司INg廣州南創電子科技有限公司柯力稱重傳感器的稱重儀表老化一般有三種變現的表現能夠分為三大類,分別是:常溫整機通電老化、高溫整機通電老化、高溫整機帶模擬負載通電老化。常溫整機通電老化歸于徹di的轉換,是不太容易發生破壞的,一般就是機器運用時刻久了,從而導致出現老化的現象。而高溫整機通電和高溫整機帶模擬負載通電老化,都是歸于電流通過之后,承載的環境太過于惡劣,這就導致稱重傳感器容易發生儀表老化現象的。
INg廣州南創電子科技有限公司INg廣州南創電子科技有限公司寧波柯力稱重傳感器器稱重儀表的內碼不穩定,可能是因電容C4,N8受潮或其它引起接觸不良乃至損壞引起的,如果是此問題,則需求補焊或者替換。如果是稱重傳感器稱重儀表自檢往后不歸零,這是因為歸零后震動可見分度值自動來切換,并伴有稱重時部分歸零,以致于穩重誤差大,并在重物放下后零位顯現負數。如果是稱重傳感器稱重儀表開機后稱重無反應,直接按住“歸零”鍵開機然后從頭設置量程。如果不能正常設置,從頭開機仍無量程,基本上能夠判定是存儲芯片損壞,替換該元件后從頭設置量程,并且需求從頭標定。
INg廣州南創電子科技有限公司INg廣州南創電子科技有限公司以上是
寧波柯力 BTB-ASS-3t稱重傳感器產品相關銷售商官網、
BTB-ASS-3t稱重傳感器廠家電話、
柯力 BTB-ASS-3t稱重傳感器型號類別技術參數選型安裝等資料信息,如果有關
柯力傳感器其他相關方面需要,可直接電話聯系
寧波柯力 BTB-ASS-3t傳感器相關負責工程師咨詢020-82303306。
INg廣州南創電子科技有限公司INg廣州南創電子科技有限公司【廣州★南創】:
寧波柯力BTB-ASS-3t稱重傳感器(BTB-ASS-0.3t/0.5t/1t/2t/3t/5t/7.5t/8t/10t/15t/20t/25t)【銷售商】價格好:¥320元。報價、撥打電話020-82303306可了解
美國suncells BTB-ASS-3t稱重傳感器、英國OAP BTB-ASS-7.5t傳感器廠家中國官網、及產品信息銷售商商、廠家、
美國mkcells BTB-ASS-8t傳感器公司、資訊及產品服務。
INg廣州南創電子科技有限公司