11年專業銷售工程師-徐工
15年專業銷售工程師-謝工
9年專業銷售工程師-王工
6年銷售工程師-張工
項目產品選型、技術指導高級電器工程師-李工
| 分類 | |
| 品牌 |
| 分類 | |
| 品牌 |
| 分類 | |
| 品牌 |
| 分類 |
|
| 品牌 |
|
優勢一:廣州南創是一家大型傳感器、儀器儀表、工業備品備件供應商!中國傳感器聯合會誠信“AAA”級成員,多家世界知名傳感企業中國市場開拓核心合作伙伴;
優勢二:完善的全國銷售服務網絡:12個區域辦事處、20個分公司、遍布全國的售后服務網點,為您及時便捷實現上門無憂售后服務;
優勢三:為國內多家知名大中型工業企業、航天工業企業提供國際工業自動化控制檢測設備及工業稱重系統和傳感器設備儀表,緊密依托中科院及清華大學的技術支持合作交流。技術、產品可靠值得信賴;
優勢四:鄭重承諾:三個月內產品有質量問題無條件退換貨;
優勢五:資深工程師為您提供全方位完善的一條龍銷售服務指導,售前專業方案設計、產品選型指導,售中安裝調試,售后三年上門免費跟蹤維修服務;
優勢六:全國優勢價格支持銷售,凡在我們公司購買產品,如果同類產品高于主流市場價格,我們雙倍補還差價,性價比高!
優勢七:我公司在國外設有7個境外專業采購中心,保證原裝進口,貨期快捷,價格具有優勢,可靠、放心
優勢八:我公司代理經銷169個品牌,全國同類產品系列全、品種多、多家知名企業中國合作伙伴代理。
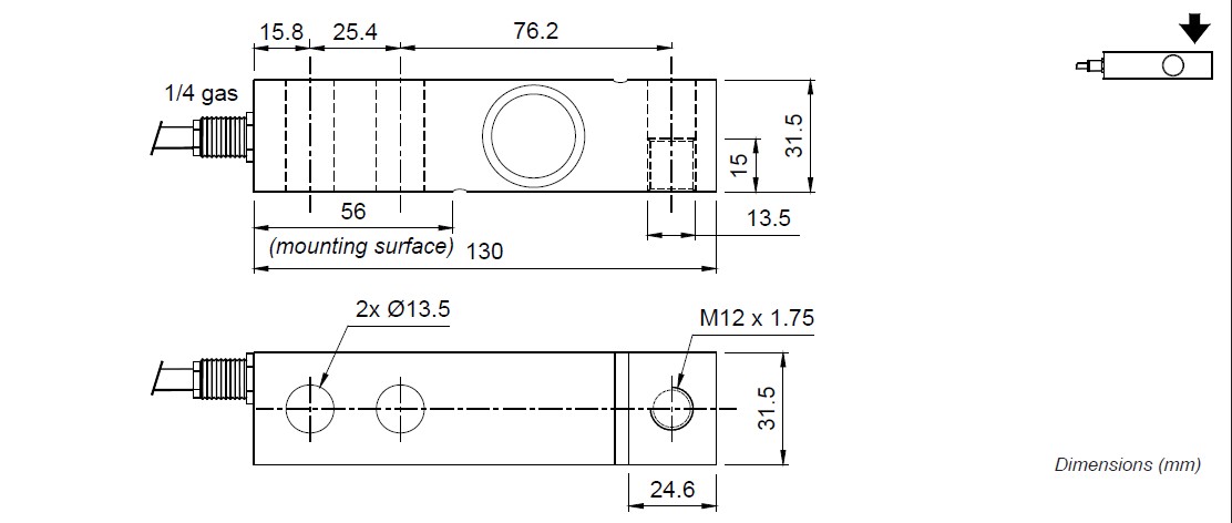
【廣州★南創】:炫麗發售意大利Laumas稱重傳感器FTL-300kg【中國正式★一級供應商】,高工020-82303306。專業提供FTL-300kg傳感器,保證讓您乘興而至,滿意而歸,穿衣重品牌,傳感器重質量,我司的Laumas FTL-300kg傳感器質量絕對正宗,價格還很合理。
產品名稱:FTL-300kg,意大利Laumas FTL-300kg稱重傳感器,Laumas FTL-300kg
產品型號: FTL-300kg,FTL-500kg,FTL-1000kg,FTL-2000kg,FTL-5000kg,
產品品牌:意大利Laumas稱重傳感器
產品類型:稱重傳感器
FTL-300KG稱重傳感器符合國家標準GB / T13823.9-1994振動與沖擊傳感器的橫向沖擊靈敏度測試,在電子戰環境下正常工作的情況下,并能降低高電阻和低電阻的環境。電路FTL-300KG傳感器由電子部件所構成,傳感器使用RGBW像素陣列中的傳統RGB或磁性傳感器來檢測車輪速度傳感器的防抱死系統中,Laumas FTL-300kg稱重傳感器,用于重新轉換信號轉換成振動的電容器的電流信號,或振動信號轉換成磁場,然后轉換為電信號。可以設置接線時收取。
Laumas FTL-300kg稱重傳感器技術特點:
- 17-4PH不銹鋼結構
- 綜合精度< + / - 0.017 %
- 防護等級IP 68
- ESECUZIONE在ACCIAIO INOX 17-4 PH值
- ERRORE COMBINATO < + / - 0,017 %
- GRADO DI PROTEZIONE IP 68
意大利FTL-300kg傳感器參數詳情:
額定輸出* 2毫伏/ V + / - 0.1%
零點溫度影響0.002 % / °C
溫度影響0.0012 % / °C
溫度補償范圍- 10 °C / +40 °C
工作溫度范圍- 20 °C / + 70°C
蠕變在額定負載后的30分鐘再予0.016 %
最大電源電壓而不損壞15伏
輸入電阻400歐姆+ / - 20
輸出電阻350歐姆+ / - 3
余額為零+ / - 2 %
絕緣電阻> 5000兆歐
安全過載范圍(滿量程的百分比)150 %
極限過載范圍(滿量程的百分比)> 200 %
偏轉NOMINLA負載0.4毫米
FTL-300kg傳感器相關熱賣型號:
FT-7SS-100kg FT-7SS-150kg FT-7SS-200kg FT-7SS-250kg FT-7SS-300kg FT-7SS-500kg FT-7SS-1000kg FT-7SS-1t
FT-7Q-10kg FT-7Q-20kg FT-7Q-30kg FT-7Q-40kg FT-7Q-50kg FT-7Q-75kg FT-7Q-100kg FT-7Q-150kg FT-7Q-200kg FT-7Q-250kg FT-7Q-300kg FT-7Q-500kg FT-7Q-1000kg FT-7Q-1t
HM-1SS-0.05t HM-1SS-0.25t HM-1SS-0.3t HM-1SS-0.5t HM-1SS-0.75t HM-1SS-1t HM-1SS-1.5t HM-1SS-2t HM-1SS-2.5t HM-1SS-3t HM-1SS-7.5t HM-1SS-10t HM-1SS-50kg HM-1SS-250kg HM-1SS-300kg HM-1SS-500kg HM-1SS-750kg
HM-1SS-1000kg HM-1SS-1500kg HM-1SS-2000kg
HM-1-0.1Klb; HM-1-5Klb; HM-1-10Klb; HM-1-15Klb; HM-1-20Klb.
Laumas傳感器FTL-300kg讓生活更美好,FTL-300kg傳感器物美價廉,質優形美,一片冰心在南創!
本站內容未經許可禁止復制轉載!©2002 廣州南創電子科技有限公司
聯系電話:020-82303306 公司傳真:020-82303511下班及雙休日請撥打各品牌負責人電話電話詳情
備案號: 粵ICP備11086172號-1