11年專業銷售工程師-徐工
15年專業銷售工程師-謝工
9年專業銷售工程師-王工
6年銷售工程師-張工
項目產品選型、技術指導高級電器工程師-李工
| 分類 | |
| 品牌 |
| 分類 | |
| 品牌 |
| 分類 | |
| 品牌 |
| 分類 |
|
| 品牌 |
|
優勢一:廣州南創是一家大型傳感器、儀器儀表、工業備品備件供應商!中國傳感器聯合會誠信“AAA”級成員,多家世界知名傳感企業中國市場開拓核心合作伙伴;
優勢二:完善的全國銷售服務網絡:12個區域辦事處、20個分公司、遍布全國的售后服務網點,為您及時便捷實現上門無憂售后服務;
優勢三:為國內多家知名大中型工業企業、航天工業企業提供國際工業自動化控制檢測設備及工業稱重系統和傳感器設備儀表,緊密依托中科院及清華大學的技術支持合作交流。技術、產品可靠值得信賴;
優勢四:鄭重承諾:三個月內產品有質量問題無條件退換貨;
優勢五:資深工程師為您提供全方位完善的一條龍銷售服務指導,售前專業方案設計、產品選型指導,售中安裝調試,售后三年上門免費跟蹤維修服務;
優勢六:全國優勢價格支持銷售,凡在我們公司購買產品,如果同類產品高于主流市場價格,我們雙倍補還差價,性價比高!
優勢七:我公司在國外設有7個境外專業采購中心,保證原裝進口,貨期快捷,價格具有優勢,可靠、放心
優勢八:我公司代理經銷169個品牌,全國同類產品系列全、品種多、多家知名企業中國合作伙伴代理。
梅特勒托利多稱重傳感器產品所有系列型號詳細技術參數,產品圖片等信息請點擊:梅特勒托利多傳感器
梅特勒托利多稱重傳感器優勢:安裝方便,穩定性好,防護等級高。
梅特勒托利多稱重傳感器材質:合金鋼,不銹鋼,鋁合金可選。
梅特勒托利多稱重傳感器領域:用于拉伸和壓縮,廣泛用于:電子計價秤、電子平臺秤、包裝秤、皮帶秤和化工、醫藥、食品等行業的配料稱重控制、料斗秤、皮帶秤等領域。
瑞士梅特勒托利多稱重傳感器部分介紹:

梅特勒托利多稱重傳感器IL-250KG主要特性:
重傳感器IL-250KG是一款高精度的傳感器
量程:0.05㎏到1000㎏
鋁合金材料,平行梁結構
硅橡膠密封,表面陽極化,耐腐蝕性佳。
整體結構,安裝使用方便。
最大秤臺尺寸 450*450㎜
梅特勒托利多稱重傳感器適用于電子計價秤、電子平臺秤等各類電子稱重設備。
mettler toledo IL-250KG,托利多IL-250KG稱重傳感器包括以下熱銷量程:
METTLER TOLEDO稱重傳感器IL 彎曲梁式傳感器
梅特勒托利多稱重傳感器IL-150 鋼質彎曲梁傳感器,容量150KG,2.5M電纜
梅特勒傳感器IL-250 鋼質彎曲梁傳感器,容量250KG,2.5M電纜
托利多IL-500 鋼質彎曲梁傳感器,容量500KG,2.5M電纜
托利多IL-1000稱重傳感器 鋼質彎曲梁傳感器,容量1000KG,2.5M電纜
托利多稱重傳感器IL-2000 鋼質彎曲梁傳感器,容量2000KG,2.5M電纜

梅特勒托利多傳感器0745A-1.1主要特性:
mettler toledo 0745A稱重傳感器額定容量20kg,50kg,100kg,200kg,300kg
獲得荷蘭NMI頒發的OIML R60 C3證書
安裝高度低,
不銹鋼材質,
焊接密封,防護等級IP68,具有很好的防水防濕功能
防爆性能滿足EEx ib tlc T4 要求,同HBM Z6兼容,可提供高溫傳感器,最高工作溫度為200℃,
瑞士梅特勒托利多稱重傳感器適用于包裝秤、皮帶秤和化工、醫藥、食品等行業的配料稱重控制。
0745A-1.1,托利多0745A-1.1稱重傳感器其他相關信息:
梅特勒托利多0745A-0.22 0745A稱重傳感器0.22T,2.2M電纜
托利多0745A-0.22 0745A稱重傳感器0.22T,4.5M電纜
METTLER TOLEDO 0745A-0.22 0745A傳感器0.22T,9M電纜
托利多0745A-0.55 0745A傳感器0.55T,2.2M電纜
METTLER TOLEDO 0745A-0.55 0745A稱重傳感器0.55T,4.5M電纜

梅特勒托利多稱重傳感器MT1022-20kg主要特性:
梅特勒稱重傳感器MT1022-20kg是一款小容量的單點式傳感器
獲得荷蘭NMI頒發的OIML R60 C3證書
防護等級IP 67
四角偏差已補償
梅特勒托利多傳感器彎曲梁式設計可使安裝簡便。
梅特勒托利多稱重傳感器TSC-1000 主要特性:

最大稱量值:50,100,200,300,500,1000kg,2,3,5t
裝備選項:拉伸
產品類型:TSC稱重傳感器 TSC-1000kg 稱重傳感器
產品品牌:Mettler Toledo/托利多稱重傳感器
產品型號:Mettler Toledo TSC-1000稱重傳感器
主要產品型號:TSC-1000kg,TSC-100kg,TSC-50kg,TSC-500kg,TSC-200kg,TSC-300kg,TSC-2t,TSC-3t,TSC-5t
產品名稱:TSC-1000 TSC-1000傳感器 Mettler Toledo TSC-1000稱重傳感器
拉伸:S-稱重傳感器 S-傳感器
應用領域:TSC-1000梅特勒托利多傳感器采用鍍鎳合金鋼金屬機體材質;梅特勒托利多傳感器 TSC-1000稱重傳感器適用于經濟型懸浮漏斗稱,且可選配儀表;
Mettler Toledo TSC-1000kg 稱重傳感器保護等級 具有 IP65;
主要熱銷產品型號:TSC-1000kg,TSC-100kg,TSC-50kg,TSC-500kg,TSC-200kg,TSC-300kg,TSC-2t,TSC-3t,TSC-5t。
產品特性描述:
TSC-1000梅特勒托利多傳感器屬于拉伸S-形稱重傳感器,規格是TSC合金鋼罐裝結構,最大稱量值有50,100,200,300,500,1000kg,2,3,5t 幾個量程,裝備選項為拉伸,應用于經濟型懸浮漏斗稱。
TSC-1000稱重傳感器、TSC-1000 TSC-1000傳感器、Mettler Toledo TSC-1000稱重傳感器系列所有其它相關型號:
Mettler Toledo TSC-100kg 稱重傳感器
Mettler Toledo TSC-50kg 稱重傳感器
Mettler Toledo TSC-200kg 稱重傳感器
Mettler Toledo TSC-500kg 稱重傳感器
Mettler Toledo TSC-300kg 稱重傳感器
Mettler Toledo TSC-1000kg 稱重傳感器
梅特勒托利多稱重傳感器PGD-5T主要特性:
不銹鋼結構;
梅特勒托利多稱重傳感器激光焊接密封;
安裝高度低;安裝方便,穩定性好;
梅特勒托利多Mettler Toledo傳感器應用于系統過程控制


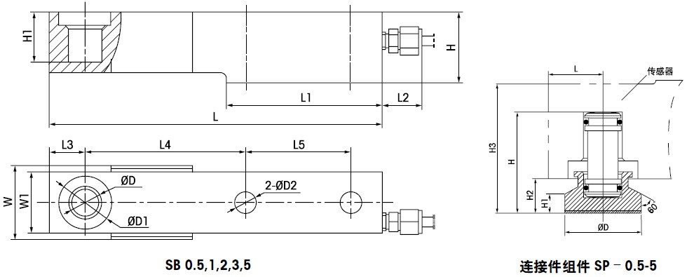
梅特勒托利多稱重傳感器SB-2t主要特性:
綜合精度高
精度等級:C3
長期穩定性好
托利多傳感器適合各種使用環境,安裝方便
瑞士梅特勒托利多稱重傳感器適用領域: 料斗秤、皮帶秤、配料系統。
SB-2T稱重傳感器,SB-2T傳感器產品描述
mettler toledo SB-0.3傳感器容量0.3T,盲孔,4米電纜 剪切梁傳感器
METTLER TOLEDO稱重傳感器SB-0.5 容量0.5T,盲孔,4米電纜 剪切梁傳感器
托利多SB-0.5傳感器 容量0.5T,盲孔,12米電纜 剪切梁傳感器
梅特勒傳感器SB-1 容量1T,盲孔,4米電纜 剪切梁傳感器


梅特勒托利多S型稱重傳感器TSC-200主要特性:
最大稱量值:50,100,200,300,500,1000kg,2,3,5t
保護等級具有IP65
拉伸S-形稱重傳感器
Mettler Toledo/梅特勒托利多采用鍍鎳合金鋼金屬機體材質;
梅特勒托利多應用領域:托利多TSC-200傳感器適用于經濟型懸浮漏斗稱,且可選配儀表
梅特勒托利多Mettler Toledo稱重傳感器所有系列型號:
梅特勒托利多稱重傳感器(METTLER TOLEDO)拉式系列:
TSC、 TSB、TSH
梅特勒托利多稱重傳感器(METTLER TOLEDO)單點式系列:
IL、MT1022、MT1041-10、MT1241、MT1260、、SSH、SSP1022、SSP1241、SSP1260、
梅特勒托利多(METTLER TOLEDO))橋式稱重傳感器系列:
SBD
梅特勒托利多(METTLER TOLEDO)波紋管稱重傳感器系列:
MTB
梅特勒托利多(METTLER TOLEDO)輪輻式稱重傳感器系列:
SBF
梅特勒托利多(METTLER TOLEDO)稱重傳感器剪切梁式系列:
SBC、SBH、SBS、SBT、SB
梅特勒托利多(METTLER TOLEDO)稱重傳感器搖柱式系列:
GD、PGD、ZY
梅特勒托利多(METTLER TOLEDO)稱重傳感器高溫系列:
GD(G)、PGD(G)、MTB(G)、SB(G)、GD2(G)
梅特勒托利多(METTLER TOLEDO)稱重傳感器0745A/0743系列不銹鋼焊接密封系列:
0745A、0743
梅特勒托利多(METTLER TOLEDO)稱重傳感器防爆系列:
IL、MT1022、MT1041、MT1260、SSP1022、 SSP1241、SSP1260、SSP、SSH、SB、SBT、SBS、SBC、SBF、SBH、TSC-50X、TSB-2000X、MTB-5X、PGD、GD、0745A、0743
梅特勒托利多稱重傳感器熱銷型號:
梅特勒托利多稱重傳感器價格 梅特勒托利多傳感器銷售商 梅特勒托利多傳感器生產廠家 梅特勒托利多傳感器 托利多傳感器型號 梅特勒托利多稱重模塊 托利多傳感器儀表 托利多電子稱
如果您對梅特勒托利多稱重傳感器現貨、價格、產品資料、圖片、貨期、發貨方式、梅特勒托利多傳感器技術參數有什么疑問,請 我們銷售商獲取梅特勒托利多傳感器最新信息。
歡
本站內容未經許可禁止復制轉載!©2002 廣州南創電子科技有限公司
聯系電話:020-82303306 公司傳真:020-82303511下班及雙休日請撥打各品牌負責人電話電話詳情
備案號: 粵ICP備11086172號-1