11年專業銷售工程師-徐工
15年專業銷售工程師-謝工
9年專業銷售工程師-王工
6年銷售工程師-張工
項目產品選型、技術指導高級電器工程師-李工
| 分類 | |
| 品牌 |
| 分類 | |
| 品牌 |
| 分類 | |
| 品牌 |
| 分類 |
|
| 品牌 |
|
優勢一:廣州南創是一家大型傳感器、儀器儀表、工業備品備件供應商!中國傳感器聯合會誠信“AAA”級成員,多家世界知名傳感企業中國市場開拓核心合作伙伴;
優勢二:完善的全國銷售服務網絡:12個區域辦事處、20個分公司、遍布全國的售后服務網點,為您及時便捷實現上門無憂售后服務;
優勢三:為國內多家知名大中型工業企業、航天工業企業提供國際工業自動化控制檢測設備及工業稱重系統和傳感器設備儀表,緊密依托中科院及清華大學的技術支持合作交流。技術、產品可靠值得信賴;
優勢四:鄭重承諾:三個月內產品有質量問題無條件退換貨;
優勢五:資深工程師為您提供全方位完善的一條龍銷售服務指導,售前專業方案設計、產品選型指導,售中安裝調試,售后三年上門免費跟蹤維修服務;
優勢六:全國優勢價格支持銷售,凡在我們公司購買產品,如果同類產品高于主流市場價格,我們雙倍補還差價,性價比高!
優勢七:我公司在國外設有7個境外專業采購中心,保證原裝進口,貨期快捷,價格具有優勢,可靠、放心
優勢八:我公司代理經銷169個品牌,全國同類產品系列全、品種多、多家知名企業中國合作伙伴代理。
【廣州★南創】全力熱銷德國HBM稱重傳感器【中國正式★一級銷售商商】有賣RTN0.05/15T,HBM RTN0.05/15T稱重傳感器,德國HBM,價格實在,質量有保證,堅持供應原裝正品貨。找廣州南創銷售二部譚工程師獲取價格,圖片,技術,選型等服務,歡迎致電全國熱線電話:020-82303306(轉)020-28989913/譚工。
我們鄭重承諾:“三個月內不滿意隨時無條件退換貨,退還全部貨款,不收任何費用”。質保兩年,隨時免費維護!
產品名稱:RTN0.05/15T,HBM RTN0.05/15T稱重傳感器,德國HBM
產品品牌:德國HBM稱重傳感器
產品價格:人民幣/只(面議)
產品型號:RTN0.05/15T
主要銷售產品:稱重傳感器、壓力傳感器、扭矩傳感器稱、霍爾傳感器、流量傳感器、位移傳感器、速度傳感器、加速度傳感器以及變送器、模塊、放大器、儀器儀表及相關配套附件等。

RTN0.05/15T,HBM RTN0.05/15T稱重傳感器,德國HBM技術參數:
最大輸出 2,85mV/V
最小的應用范圍 Y = 20,000
低功耗
輸入電阻 4,400 ohms
橫向力對測量值影響很小lowest
貿易認證型號,符合 OIML R60 標準
精度等級 C3, C4, C5, C3MI, C4MI 有 PTB 測試證書 D09-00.24
信號輸出 2.85 mV/V
輸入電阻 ≥4350 Ω
防爆型號可選,符合 ATEX 95
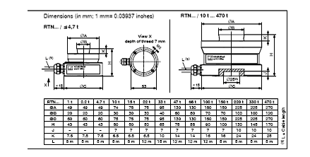
額定負載 1 t / 2,2 t / 4,7 t / 10 t / 15 t /22 t / 33 t / 47 t / 68 t / 100 t / 150 t / 220 t / 330 t / 470 t
精度等級:0,05, C3
認證:OIML, NTEP, ATEX 95, GOS
保護等級:EMC 認證
RTN0.05/15T,HBM RTN0.05/15T稱重傳感器,德國HBM特點與應用:
HBM RTN0.05/15T稱重傳感器尺寸小
材料:不銹鋼材質
貿易認證,符合 OIML
等級:IP 68保護等級
HBM 稱重傳感器在歐洲獲得廣泛認證
可以用于惡劣的環境中
HBM RTN0.05/15T稱重傳感器廣泛應用于平臺秤,汽車衡和過程稱重等工業領域。


德國HBM RTN稱重傳感器系列所有相關型號:
RTN0.05/1T 稱重傳感器
RTN0.05/2.2T 稱重傳感器
RTN0.05/10T 稱重傳感器
RTN0.05/15T 稱重傳感器
RTN0.05/22T 稱重傳感器
RTN0.05/33T 稱重傳感器
RTN0.05/47T 稱重傳感器
RTN0.05/68T 稱重傳感器
RTN0.05/100T 稱重傳感器
RTN0.05/150T 稱重傳感器
RTN0.05/220T 稱重傳感器
RTN0.05/330T 稱重傳感器
RTN0.05/470T 稱重傳感器
RTNC3/1T 稱重傳感器
RTNC3/4.7T 稱重傳感器
RTNC3/15T 稱重傳感器
RTNC3/22T 稱重傳感器
RTNC3/33T 稱重傳感器
RTNC3/47T 稱重傳感器
RTNC3/68T 稱重傳感器
RTNC3/100T 稱重傳感器
RTNC3/150T 稱重傳感器
RTNC3/220T 稱重傳感器
RTNC3/330T 稱重傳感器
RTNC3/470T 稱重傳感器
除HBM RTN0.05/15T稱重傳感器其它熱銷型號:
Transcell BSS S型稱重傳感器
Interface A4200剪切粱稱重傳感器
德國HBM TB1A扭矩傳感器
美國tedea120-1000kg稱重傳感器
在百度搜索廣州南創電子科技有限公司,進入銷售二部找譚工:020-28989913獲取您想要的詳細信息!
本站內容未經許可禁止復制轉載!©2002 廣州南創電子科技有限公司
聯系電話:020-82303306 公司傳真:020-82303511下班及雙休日請撥打各品牌負責人電話電話詳情
備案號: 粵ICP備11086172號-1