11年專業銷售工程師-徐工
15年專業銷售工程師-謝工
9年專業銷售工程師-王工
6年銷售工程師-張工
項目產品選型、技術指導高級電器工程師-李工
| 分類 | |
| 品牌 |
| 分類 | |
| 品牌 |
| 分類 | |
| 品牌 |
| 分類 |
|
| 品牌 |
|
優勢一:廣州南創是一家大型傳感器、儀器儀表、工業備品備件供應商!中國傳感器聯合會誠信“AAA”級成員,多家世界知名傳感企業中國市場開拓核心合作伙伴;
優勢二:完善的全國銷售服務網絡:12個區域辦事處、20個分公司、遍布全國的售后服務網點,為您及時便捷實現上門無憂售后服務;
優勢三:為國內多家知名大中型工業企業、航天工業企業提供國際工業自動化控制檢測設備及工業稱重系統和傳感器設備儀表,緊密依托中科院及清華大學的技術支持合作交流。技術、產品可靠值得信賴;
優勢四:鄭重承諾:三個月內產品有質量問題無條件退換貨;
優勢五:資深工程師為您提供全方位完善的一條龍銷售服務指導,售前專業方案設計、產品選型指導,售中安裝調試,售后三年上門免費跟蹤維修服務;
優勢六:全國優勢價格支持銷售,凡在我們公司購買產品,如果同類產品高于主流市場價格,我們雙倍補還差價,性價比高!
優勢七:我公司在國外設有7個境外專業采購中心,保證原裝進口,貨期快捷,價格具有優勢,可靠、放心
優勢八:我公司代理經銷169個品牌,全國同類產品系列全、品種多、多家知名企業中國合作伙伴代理。
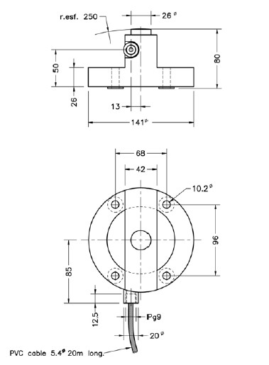
【廣州★南創】:西班牙尤梯爾稱重傳感器MOD750I-10t,高工020-82303306。
產品名稱:MOD750I-10t,西班牙尤梯爾 MOD750I-10t稱重傳感器,尤梯爾 MOD750I-10t傳感器
產品型號:MOD750I-10t,MOD750I-10t,MOD750I-15t,MOD750I-20t,MOD750I-25t,MOD750I-30t,MOD750I-35t,MOD750I-40t
產品品牌:西班牙尤梯爾傳感器
產品類型:尤梯爾稱重傳感器
尤梯爾 MOD750I-10t稱重傳感器技術特點:
壓縮和剪切稱重傳感器 -
模擬750 7.5噸... 30噸
標稱容量精度等級最小間隔 LN Ñ OIML VMIN
雙剪切式稱重傳感器
750A :合金鋼,由環氧涂裝防腐蝕保護
750I :全不銹鋼
3000分O.I.M.L. R60 C類
全封閉,全焊接
受保護IP 68 ( EN 60529 )
6線(檢測)電氣連接
應用在儲罐和筒倉稱重系統具有高度的線性和低調的要求
尤梯爾 MOD750I-10t傳感器相關型號:
MOD740I-7.4t MOD740I-7.4t MOD740I-7.4t MOD740I-7.4t MOD740I-74t MOD740I-7.4t
MOD720I-40t MOD720I-74t MOD720I-120t MOD720I-22t MOD720I-240t MOD720I-340t
MOD710-2t MOD710-3t MOD710-4t MOD710-7.4t MOD710-10t MOD710-14t MOD710-20t
MOD730-7.4t MOD730-12t MOD730-18t MOD730-36t ;MOD730-10t MOD730-14t
MOD760-37.4t MOD760-40t MOD760-74t MOD760-22t;MOD830-74t MOD830-12t;
MOD790-4t MOD790-7.4t MOD790-10t MOD790-14t MOD790-20t MOD790-34t;
MOD780-12t MOD780-22t MOD780-32t ; MOD760:140t-82t;MOD720I-42t;
MOD790-10t MOD790-20t MOD790-30t MOD790-40t MOD790-74t MOD790-12t
MOD790-140t MOD790-22t MOD790-240t MOD790-32t;MOD740I-140t;
MOD810I-14t MOD810I-30t MOD810I-40t MOD810I-74t MOD810I-12t
MOD810I-22t MOD810I-240t MOD810II-32t MOD810II-42t MOD810II-740t MOD730-20t
MOD820-7.4t MOD820-10t MOD820-14t MOD820-20t MOD820-30t MOD820-40t;MOD810I-140t
MOD830-3t MOD830-4t MOD830-8t MOD830-14t MOD830-20t MOD830-30t MOD830-40t
MOD750I-10t傳感器參數:
輸出: 2毫伏/ V± 0.25 % FSO
激勵: 10伏直流(15V最大)
線性度: ± 0.10 % FSO
滯后: ± 0.10 % FSO
重復性: ± 0.05 % FSO
零點平衡: ± 1.0 % FSO
工作溫度范圍:
-34到121 °C ( -30到250°F )
補償溫度范圍:
16?71 °C ( 60至160°F )
熱效應零點: ± 0.0045 % FSO / °C
跨度: ± 0.007 %讀數/ °C
安全過載:容量的150%
極限過載:容量的300%
電橋電阻: 350 Ω
結構:不銹鋼
LC702 : 1.8米(6 ' ) 4芯電纜
LC712 : (或同等學歷) DT02H - 10 -6P
防護等級:IP67
配套連接器: PT06F - 10 -6S ,
校準張力≥ 150000磅壓縮校準。
對于校準≥ 300000磅,加后綴
- FS和交貨連接器

廣州南創除MOD750I-10t稱重傳感器之外的其它產品:校準器,連接器,通用測試與測量儀器儀表,手持式儀器的溫度測量,冰點引用,指示標簽,蠟筆,水泥和油漆,紅外測溫測量儀器,記錄儀,相對濕度測量儀器,探頭PT100 , PT100元素,溫度和過程儀表,定時器和計數器,溫度和過程控制器和電源開關器件,熱敏電阻元件,探頭和組件,熱電偶,熱電偶套管和頭嘛組件,變送器,熱電偶絲,熱電阻探頭
位移傳感器,動態測量隊傳感器,儀器儀表壓力和應變測量,稱重傳感器,壓力表,壓力參考部分,壓力開關,壓力傳感器,接近傳感器,調節器,壓力變送器,應變計,扭矩傳感器,閥門電導率儀,溶解氧儀器儀表,環保儀器儀表, pH值電極和儀器,水和土壤分析儀器儀表
聲明:以上產品信息均來自網上公開信息轉載。
本站內容未經許可禁止復制轉載!©2002 廣州南創電子科技有限公司
聯系電話:020-82303306 公司傳真:020-82303511下班及雙休日請撥打各品牌負責人電話電話詳情
備案號: 粵ICP備11086172號-1