11年專業銷售工程師-徐工
15年專業銷售工程師-謝工
9年專業銷售工程師-王工
6年銷售工程師-張工
項目產品選型、技術指導高級電器工程師-李工
| 分類 | |
| 品牌 |
| 分類 | |
| 品牌 |
| 分類 | |
| 品牌 |
| 分類 |
|
| 品牌 |
|
優勢一:廣州南創是一家大型傳感器、儀器儀表、工業備品備件供應商!中國傳感器聯合會誠信“AAA”級成員,多家世界知名傳感企業中國市場開拓核心合作伙伴;
優勢二:完善的全國銷售服務網絡:12個區域辦事處、20個分公司、遍布全國的售后服務網點,為您及時便捷實現上門無憂售后服務;
優勢三:為國內多家知名大中型工業企業、航天工業企業提供國際工業自動化控制檢測設備及工業稱重系統和傳感器設備儀表,緊密依托中科院及清華大學的技術支持合作交流。技術、產品可靠值得信賴;
優勢四:鄭重承諾:三個月內產品有質量問題無條件退換貨;
優勢五:資深工程師為您提供全方位完善的一條龍銷售服務指導,售前專業方案設計、產品選型指導,售中安裝調試,售后三年上門免費跟蹤維修服務;
優勢六:全國優勢價格支持銷售,凡在我們公司購買產品,如果同類產品高于主流市場價格,我們雙倍補還差價,性價比高!
優勢七:我公司在國外設有7個境外專業采購中心,保證原裝進口,貨期快捷,價格具有優勢,可靠、放心
優勢八:我公司代理經銷169個品牌,全國同類產品系列全、品種多、多家知名企業中國合作伙伴代理。
【廣州★南創】:西班牙尤梯爾傳感器MOD120-100kg,高工020-82303306。
產品名稱:MOD120-100kg,西班牙尤梯爾MOD120-100kg稱重傳感器,尤梯爾MOD120-100kg傳感器
產品型號:MOD120-100kg,MOD120-10kg,MOD120-7.5kg,MOD120-20kg,MOD120-25kg,MOD120-50kg,MOD120-75kg,MOD120-100kg,MOD120-150kg,MOD120-200kg,MOD120-250kg
產品品牌:西班牙尤梯爾稱重傳感器
產品類型:尤梯爾稱重傳感器
尤梯爾MOD120-100kg稱重傳感器技術特點:
•雙彎梁式稱重傳感器
•從鈹銅合金測量元件
•4000審判庭, 7,5 - 31公斤, 3000師50 - 250公斤 O.I.M.L. R60 C類
•防止濕度高達95% (北卡羅來納州)
•單點式稱重傳感器。高精確度與偏心負荷
•6線(檢測)電氣連接
•集成的中心過載保護(必須用150%的最大調整)
尤梯爾 MOD120-100kg傳感器相關型號:
MOD100-0.3KG MOD100-0.6KG MOD100-1.2KG MOD100-3KG; MOD100-2kg MOD100-3kg MOD100-5kg ;
MOD120-100kg MOD120-10kg MOD120-100kg MOD120-20kg MOD120-100kg MOD120-50kg ;
MOD140-3KG MOD140-5KG MOD140-8KG MOD140-15KG MOD140-20KG MOD140-30KG MOD140-50KG MOD140-75KG MOD140-100KG ;
MOD160-15kg MOD160-20kg MOD160-30kg MOD160-50kg MOD160-75kg MOD160-100kg MOD160-150kg ;
MOD180-50KG MOD180-75KG MOD180-120KG MOD180-200KG MOD180-250KG MOD180-350KG MOD180-400KG ;
MOD200-2kg MOD200-3kg MOD200-5kg MOD200-7.5kg MOD200-10kg MOD200-15kg MOD200-20kg MOD200-30kg ;
MOD220-7.5kg MOD220-12kg MOD220-18kg MOD220-36kg ;MOD220-5kg MOD220-7.5kg MOD220-10kg MOD220-15kg MOD220-20kg MOD220-35kg ;


MOD120-100kg傳感器參數:
7,5 - 250 kg額定容量(LN ) 7,5 - 75公斤200 % LN (1) 7,5 - 75公斤 100 - 250公斤150 % LN( 1 )100 - 250公斤
3000/4000 n.OIML精度等級
0 % LN最小靜負荷 Minimální mrtvá hmotnost
150 % LN( 1 )服務的負載 Pracovní zatíÏení
安全極限載荷極限 bezpeãného zatíÏení
0013 %的Sn ( 2 )總誤差 Celková chyba <
0,01 %的Sn重復性誤差 Chyba opakovatelnosti <
漂移:溫度影響:Teplotní
零0,01 % Sn/5K nule <
上sesitivity 0,006 % Sn/5K známé hodnotû <
0012 %的Sn蠕變誤差(30分鐘) Chyba teãení ( 30 MINUT ) <
-10 ... +40 ° C溫度補償 Jmenovit ? teplotní rozsah
-20 ... +50°C北部沿海地區的限制 Limitní teplotní rozsah
10 % mV /視頻( 3 )標稱靈敏度等(SN ) Jmenovitá citlivost (Sn)的2
10 V額定輸入電壓 Jmenovité napájecí napûtí
15 V最大輸入電壓 Maximální napájecí napûtí
阻抗400 20 攀枝花鋼鐵集團阻抗Vstupní
斯圖普尼多阻抗350 3 輸出阻抗
2 %的Sn無負載輸出 公差V ? stupu nule <
> 5000 M 絕緣電阻 Izolaãodpor ní
0,2 - 0,4 mm最大撓度(在LN ) Maximální ohyb (NA號法律公告)
- PLO ‰ inové Snímaãe síly
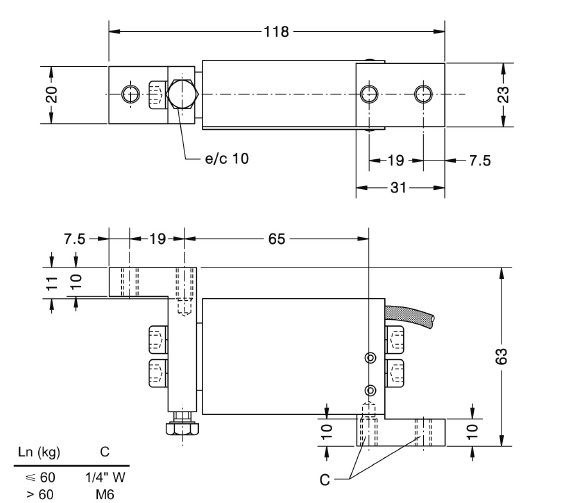
MOD120-100kg稱重傳感器的安裝及選型:
稱重傳感器 - 平臺 120型
7,5公斤... 250千克
• Dvojit ? ohybov ? snímaã
• Mûfiící prvek ?鈹 - mûdûné slitiny
• 4000 dílkÛ親7,5 - 31公斤, 3000 dílkÛ親50 - 250公斤DLE OIML doporuãeno R60 tfiída ç
• Ochrany proti relativní vlhkosti做95 % BEZ kondenz 。
• Jednobodov ? snímaã , vysoká pfiesnost s excentrick ?米zatíÏením
• estivodiãové zapojení
• Integrovaná stfiedová ochrana proti pfietíÏení (穆西b ?噸nastavena吶150 %最大)
意義: 2 pfiívody K表udrÏení konst 。 napájecího napûtí snímaães pouÏitím vhodného埃爾。 zafiízení , zvlá ‰恩ü dlouhého vedení一‰ irokého teplotního rozsahu Stínûní : Není spojeno s tûlem snímaãe 。
感官: 2個額外的電線,以維持一個恒定的電壓用合適的儀器使用時提供的稱重傳感器。使用特別是當長的電線和植物光系統廣范圍盾:未連接到傳感器主體。
1 Pouze ü stfiedového zatíÏení吶snímaãi
2 Celková chyba BEZ線性一hystereze
3 0,1%毫伏/ V V ?波羅夫?
1 只有中央載荷稱重傳感器上。不為偏離中心負載
2 總誤差:非線性度和遲滯
3 0,1%毫伏/ V可選
Hmotnost重量:250g ( 7,5-20公斤)
Rozmûry V MM 400克( 30-60公斤)
尺寸在毫米460克( 75-250公斤)
型號Jmenovitá váÏivost Minimální迪萊克Velikost巴解組織‰ INY
型號標稱容量最小間隔平臺AXB毫米
聲明:以上產品信息均來自網上公開信息轉載。
本站內容未經許可禁止復制轉載!©2002 廣州南創電子科技有限公司
聯系電話:020-82303306 公司傳真:020-82303511下班及雙休日請撥打各品牌負責人電話電話詳情
備案號: 粵ICP備11086172號-1