11年專業銷售工程師-徐工
15年專業銷售工程師-謝工
9年專業銷售工程師-王工
6年銷售工程師-張工
項目產品選型、技術指導高級電器工程師-李工
| 分類 | |
| 品牌 |
| 分類 | |
| 品牌 |
| 分類 | |
| 品牌 |
| 分類 |
|
| 品牌 |
|
優勢一:廣州南創是一家大型傳感器、儀器儀表、工業備品備件供應商!中國傳感器聯合會誠信“AAA”級成員,多家世界知名傳感企業中國市場開拓核心合作伙伴;
優勢二:完善的全國銷售服務網絡:12個區域辦事處、20個分公司、遍布全國的售后服務網點,為您及時便捷實現上門無憂售后服務;
優勢三:為國內多家知名大中型工業企業、航天工業企業提供國際工業自動化控制檢測設備及工業稱重系統和傳感器設備儀表,緊密依托中科院及清華大學的技術支持合作交流。技術、產品可靠值得信賴;
優勢四:鄭重承諾:三個月內產品有質量問題無條件退換貨;
優勢五:資深工程師為您提供全方位完善的一條龍銷售服務指導,售前專業方案設計、產品選型指導,售中安裝調試,售后三年上門免費跟蹤維修服務;
優勢六:全國優勢價格支持銷售,凡在我們公司購買產品,如果同類產品高于主流市場價格,我們雙倍補還差價,性價比高!
優勢七:我公司在國外設有7個境外專業采購中心,保證原裝進口,貨期快捷,價格具有優勢,可靠、放心
優勢八:我公司代理經銷169個品牌,全國同類產品系列全、品種多、多家知名企業中國合作伙伴代理。
【廣州★南創】:炫麗發售意大利Laumas稱重傳感器CLK-5000kg【中國正式★一級供應商】,高工020-82303306。專業提供CLK-5000kg傳感器,保證讓您乘興而至,滿意而歸,穿衣重品牌,傳感器重質量,我司的Laumas CLK-5000kg傳感器質量絕對正宗,價格還很合理。
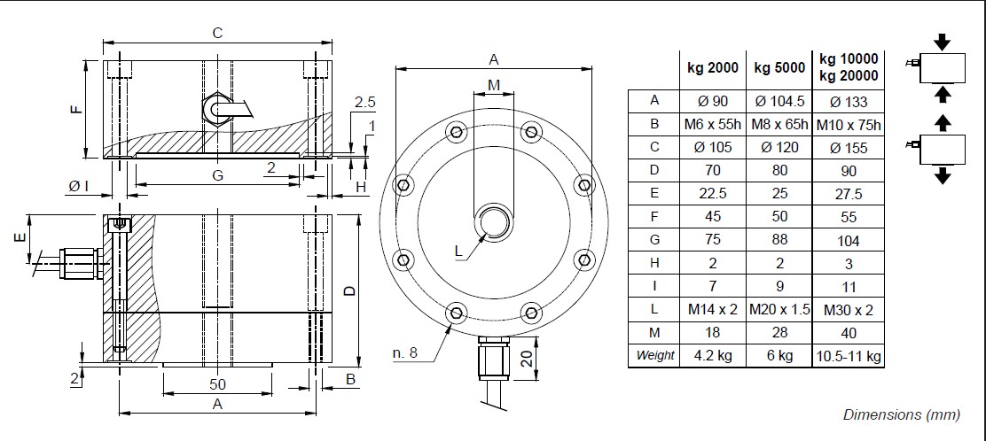
產品名稱:CLK-5000kg,意大利Laumas CLK-5000kg稱重傳感器,Laumas CLK-5000kg傳感器
產品型號:CLK-5000kg,CLK-100KG,CLK-500KG,CLK-1000kg,CLK-2000KG,CLK-5000kg,CLK-10000KG
產品品牌:意大利Laumas稱重傳感器
產品類型:稱重傳感器
LAUMAS CLK-5000kg傳感器為過程自動化提供創新性解決方案:稱重傳感器、地上衡、位移傳感器和稱重顯示器可集成到任何一種工業設備之中,并且通過市場上現有的主要現場總線與知名國際品牌的 PLC(可編程控制器)連接。這些現場總線或通訊協議包括 Modbus RTU、Modbus TCP、PROFIBUS DP、 PROFINET IO、Ethernet IP、 Ethernet TCP/IP、 EtherCAT、DeviceNet、 CANopen、POWERLINK、CC-Link、 IO Link、 Sercos III 等。
CLK-5000kg稱重傳感器可以很自然地應用在化工制藥,LAUMAS稱重產品在化工制藥領域也得到廣泛應用:稱重傳感器、地上衡、重量變送器和稱重傳感器全都可采用不銹鋼材料(IP68 或 IP69K 防護等級)而用于惡劣環境及為適用工廠需要而改變空氣環境的場合。從化工反應器到制藥行業粉末微量配料系統,CLK-5000kg傳感器產品的應用可謂多種多樣。
Laumas CLK-5000kg稱重傳感器技術特點:
- 17-4PH不銹鋼結構
- 雙向拉伸與壓縮
- 綜合精度< + / - 0.05 %
- 防護等級IP 68 ( IP67 )
- ESECUZIONE在ACCIAIO INOX 17-4 PH值
- BIDIREZIONALE一個TRAZIONE é COMPRESSIONE
- ERRORE COMBINATO < + / - 0,05 %
- GRADO DI PROTEZIONE IP 68 ( IP67 )

CLK-5000kg傳感器相關熱賣型號:
CLK-DN-5000kg CLK-DN-7500kg CLK-DN-10000kg CLK-DN-300kg
CLK-SS-0.25t CLK-SS-0.3t CLK-SS-0.5t CLK-SS-0.75t
CLK-SS-1t CLK-SS-1.5t CLK-SS-2t CLK-SS-2.5t
CLK-SS-3t CLK-SS-5t CLK-SS-7.5t CLK-SS-10t
CLK-SS-250kg CLK-SS-500kg CLK-SS-750kg QB-SS-1000kg
CLK-SS-1500kg CLK-SS-2000kg CLK-SS-2500kg CLK-SS-3000kg
CLK-DNSS-0.25t CLK-DNSS-0.3t CLK-DNSS-0.5t CLK-DNSS-0.75t
CLK-DNSS-1t CLK-DNSS-1.5t CLK-DNSS-2t CLK-DNSS-2.5t
CLK-DNSS-3t CLK-DNSS-5t CLK-5000kg CLK-DNSS-7.5t CLK-DNSS-10t
CLK-DNSS-250klb CLK-DNSS-500klb CLK-DNSS-750klb CLK-DNSS-1000klb
CLK-DNSS-1500klb CLK-DNSS-2000klb CLK-DNSS-2500klb CLK-DNSS-3000klb
CLK-DNSS-5000klb CLK-DNSS-7500klb CLK-DNSS-10000klb CLK-DNSS-300klb
CLK-DN-0.5t CLK-DN-0.75t CLK-DN-1t CLK-DN-1.5t
Laumas稱重傳感器CLK-5000kg讓生活更美好,CLK-5000kg傳感器物美價廉,質優形美,一片冰心在南創!
本站內容未經許可禁止復制轉載!©2002 廣州南創電子科技有限公司
聯系電話:020-82303306 公司傳真:020-82303511下班及雙休日請撥打各品牌負責人電話電話詳情
備案號: 粵ICP備11086172號-1