11年專業銷售工程師-徐工
15年專業銷售工程師-謝工
9年專業銷售工程師-王工
6年銷售工程師-張工
項目產品選型、技術指導高級電器工程師-李工
| 分類 | |
| 品牌 |
| 分類 | |
| 品牌 |
| 分類 | |
| 品牌 |
| 分類 |
|
| 品牌 |
|
優勢一:廣州南創是一家大型傳感器、儀器儀表、工業備品備件供應商!中國傳感器聯合會誠信“AAA”級成員,多家世界知名傳感企業中國市場開拓核心合作伙伴;
優勢二:完善的全國銷售服務網絡:12個區域辦事處、20個分公司、遍布全國的售后服務網點,為您及時便捷實現上門無憂售后服務;
優勢三:為國內多家知名大中型工業企業、航天工業企業提供國際工業自動化控制檢測設備及工業稱重系統和傳感器設備儀表,緊密依托中科院及清華大學的技術支持合作交流。技術、產品可靠值得信賴;
優勢四:鄭重承諾:三個月內產品有質量問題無條件退換貨;
優勢五:資深工程師為您提供全方位完善的一條龍銷售服務指導,售前專業方案設計、產品選型指導,售中安裝調試,售后三年上門免費跟蹤維修服務;
優勢六:全國優勢價格支持銷售,凡在我們公司購買產品,如果同類產品高于主流市場價格,我們雙倍補還差價,性價比高!
優勢七:我公司在國外設有7個境外專業采購中心,保證原裝進口,貨期快捷,價格具有優勢,可靠、放心
優勢八:我公司代理經銷169個品牌,全國同類產品系列全、品種多、多家知名企業中國合作伙伴代理。
梅特勒托利多PGD稱重傳感器系列詳細信息請點擊:PGD稱重傳感器;可查找了解PGD傳感器具體技術參數及相關系列產品型號等信息。
產品品牌:梅特勒托利多PGD-50稱重傳感器
產品類別:梅特勒托利多柱式稱重傳感器
產品系列:托利多稱重傳感器PGD系列
產品價格:電議或面議
梅特勒托利多稱重傳感器PGD-50技術指標:
PGD額定容量 PGD-50KG PGD-100KG PGD-200KG PGD-300KG PGD-500KG
溫度補償范圍 ℃ -10~+40
PGD-50稱重傳感器非線性 %R.O. ≤±0.02
靈敏度溫度系數 %load/℃ ≤±0.02
PGD-50稱重傳感器工作溫度范圍 ℃ -20~+60
PGD-2傳感器零點輸出 %R.O. ≤±1

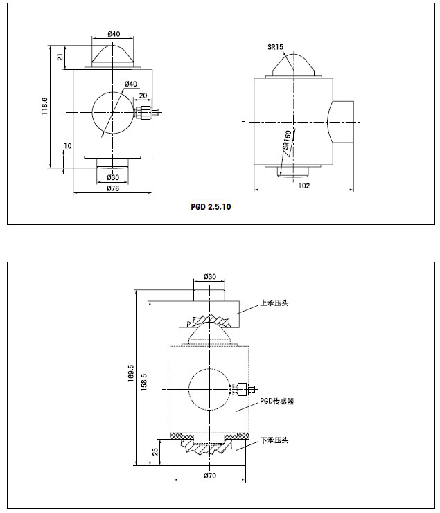
METTLER TOLED稱重傳感器PGD-50選型圖:


Mettler Toledo PGD-50稱重傳感器所有型號:
托利多稱重傳感器PGD-10T
梅特勒托利多PGD-20T
托利多PGD-30T稱重傳感器
梅特勒托利多PGD-30稱重傳感器PGD-30
METTLER TOLEDO稱重傳感器PGD-50
PGD-5稱重傳感器PGD-5
托利多PGD-2稱重傳感器PGD-2
METTLER TOLEDO PGD-500KG
PGD系列稱重傳感器其他相關型號及量程具體詳細信息:
MTB-100 請點擊:MTB-100稱重傳感器
IL-500 請點擊:IL-500稱重傳感器
歡迎來電咨詢專業負責原裝進口PGD-50傳感器相關負責工程師
本站內容未經許可禁止復制轉載!©2002 廣州南創電子科技有限公司
聯系電話:020-82303306 公司傳真:020-82303511下班及雙休日請撥打各品牌負責人電話電話詳情
備案號: 粵ICP備11086172號-1