11年專業銷售工程師-徐工
15年專業銷售工程師-謝工
9年專業銷售工程師-王工
6年銷售工程師-張工
項目產品選型、技術指導高級電器工程師-李工
| 分類 | |
| 品牌 |
| 分類 | |
| 品牌 |
| 分類 | |
| 品牌 |
| 分類 |
|
| 品牌 |
|
優勢一:廣州南創是一家大型傳感器、儀器儀表、工業備品備件供應商!中國傳感器聯合會誠信“AAA”級成員,多家世界知名傳感企業中國市場開拓核心合作伙伴;
優勢二:完善的全國銷售服務網絡:12個區域辦事處、20個分公司、遍布全國的售后服務網點,為您及時便捷實現上門無憂售后服務;
優勢三:為國內多家知名大中型工業企業、航天工業企業提供國際工業自動化控制檢測設備及工業稱重系統和傳感器設備儀表,緊密依托中科院及清華大學的技術支持合作交流。技術、產品可靠值得信賴;
優勢四:鄭重承諾:三個月內產品有質量問題無條件退換貨;
優勢五:資深工程師為您提供全方位完善的一條龍銷售服務指導,售前專業方案設計、產品選型指導,售中安裝調試,售后三年上門免費跟蹤維修服務;
優勢六:全國優勢價格支持銷售,凡在我們公司購買產品,如果同類產品高于主流市場價格,我們雙倍補還差價,性價比高!
優勢七:我公司在國外設有7個境外專業采購中心,保證原裝進口,貨期快捷,價格具有優勢,可靠、放心
優勢八:我公司代理經銷169個品牌,全國同類產品系列全、品種多、多家知名企業中國合作伙伴代理。
美國特迪亞Tedea-huntleigh稱重傳感器系列產品1030-10kg詳細信息,美國Tedea-huntleigh稱重傳感器;1030型號都是一樣的參數以下這編是MODEL 1030-10kg傳感器具體技術參數及相關系列產品型號等信息。
品牌:美國TEDEA-HUNTLEIGH美國特迪亞1030-10kg稱重傳感器
名稱:低臺面單點式傳感器
型號:1030-10kg稱重傳感器
特性:稱重傳感器
量程2-15KG
鋁合金結構
單點秤盤尺寸350MM*350MM
取得OIML R60 2500分度認證
防護等級IP65
有公制和英制螺紋
可選特性:取得EEX ia IIC T4防爆認證 取得FM防爆認證 防護等級IP67
應用:臺秤 計數秤 零售秤


美國特迪亞稱重傳感器技術參數規格
參數的值(1)單位
OIML級精度的未經批準的C2
的時間間隔的最大號(N)1000 2500
y=Emax / Vmin 3333 7000
額定output-r.c.(EMAX)2(2),3,5,7,10,15公斤
額定output-r.o. 2 MV / V
額定輸出誤差0.2±MV / V
零平衡0.2±MV / V
歸零,30分鐘,0.0170分0.0300±載荷
總誤差0.0500 0.0200±%額定輸出
溫度在零0.0100 0.0040±%額定輸出/°C的影響
溫度對產量的0.0030,0.0010±%的載荷/°C的影響
偏心加載錯誤0.0085 0.0057±%額定負載/厘米
溫度。范圍,補償–10 + 40°C
溫度。范圍,安全–20 + 70°C
最大安全中心超載150%鋼筋混凝土
鋼筋混凝土極限中樞超載300%
激勵,推薦10 VDC或VAC RMS
激勵,最大15 VDC或VAC RMS
輸入阻抗為415±15Ω
輸出阻抗350±3Ω
絕緣電阻>5000米Ω
電纜長度1米
電纜式4絲,PVC,單一的浮動屏幕標準
建設鍍(陽極氧化)鋁
環境保護等級IP65(3)
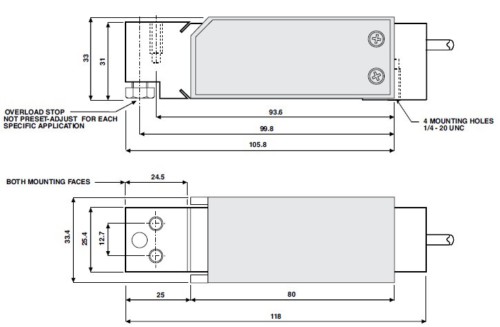
平臺的尺寸(最大)350×350毫米
推薦的扭矩7牛頓米

美國Tedea-huntleigh稱重傳感器1030-10kg描述
模型1030是一個單點負荷細胞,專為直接
低成本的安裝,低容量的稱重平臺。
在比較大的平臺,它的使用,結合高
精度和較低的成本,使該負載單元適合
對于寬范圍的稱重應用,包括臺
尺度,實驗室,點鈔、過程稱重。
一個特殊的防潮保護涂層是可用的
作為一個選項,以保證長期可靠性。模型
1030的內置過載停止提供機械
過載保護。
兩個額外的感測線的反饋電壓
到達負載細胞。完全補償
由于溫度變化引起的電阻變化
和/或延長線,由喂養這了
電壓轉換成適當的電子。
TEDEA-HUNTLEIGH傳感器應用
•臺秤
•計數秤
•雜貨尺度
在閱讀本文的人還相關閱讀了以下文章為參考:
1030-7kg_美國Tedea特迪亞1030-7kg稱重傳感器_MODEL 1030-7kg傳感器
1030-5kg_美國Tedea特迪亞1030-5kg稱重傳感器_MODEL 1030-5kg傳感器
1030-3kg_美國Tedea特迪亞1030-3kg稱重傳感器_MODEL 1030-3kg傳感器
本站內容未經許可禁止復制轉載!©2002 廣州南創電子科技有限公司
聯系電話:020-82303306 公司傳真:020-82303511下班及雙休日請撥打各品牌負責人電話電話詳情
備案號: 粵ICP備11086172號-1