11年專業銷售工程師-徐工
15年專業銷售工程師-謝工
9年專業銷售工程師-王工
6年銷售工程師-張工
項目產品選型、技術指導高級電器工程師-李工
| 分類 | |
| 品牌 |
| 分類 | |
| 品牌 |
| 分類 | |
| 品牌 |
| 分類 |
|
| 品牌 |
|
優勢一:廣州南創是一家大型傳感器、儀器儀表、工業備品備件供應商!中國傳感器聯合會誠信“AAA”級成員,多家世界知名傳感企業中國市場開拓核心合作伙伴;
優勢二:完善的全國銷售服務網絡:12個區域辦事處、20個分公司、遍布全國的售后服務網點,為您及時便捷實現上門無憂售后服務;
優勢三:為國內多家知名大中型工業企業、航天工業企業提供國際工業自動化控制檢測設備及工業稱重系統和傳感器設備儀表,緊密依托中科院及清華大學的技術支持合作交流。技術、產品可靠值得信賴;
優勢四:鄭重承諾:三個月內產品有質量問題無條件退換貨;
優勢五:資深工程師為您提供全方位完善的一條龍銷售服務指導,售前專業方案設計、產品選型指導,售中安裝調試,售后三年上門免費跟蹤維修服務;
優勢六:全國優勢價格支持銷售,凡在我們公司購買產品,如果同類產品高于主流市場價格,我們雙倍補還差價,性價比高!
優勢七:我公司在國外設有7個境外專業采購中心,保證原裝進口,貨期快捷,價格具有優勢,可靠、放心
優勢八:我公司代理經銷169個品牌,全國同類產品系列全、品種多、多家知名企業中國合作伙伴代理。
韓國bongshin原裝進口傳感器BMD11-10t 傳感器模塊歡迎廣大客戶來電咨詢,BMD11-10t 原裝進口購買,BMD11-10t 原裝進口美國進口,原裝正品,價格實惠!!廣州南創電子科技有限公司!

品牌:韓國Bongshin
類型:稱重模組
型號:BMD11-10t
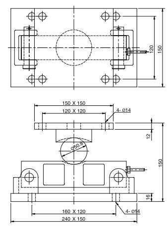
BMD11-5t, BMD11-10t, BMD11-15t
直接安裝至地面會結構支持面
自動檢驗熱膨脹收縮
|
型號 |
BMD |
|
額定量程 (R.C.) |
5,10,15t |
|
靈敏度R.O. |
3mV/V ±0.25% |
|
線性誤差 |
≤0.03% R.O. |
|
滯后性 |
≤0.03% R.O. |
|
重復誤差 |
≤0.03% R.O. |
|
蠕變誤差 |
≤0.03% in 20min. |
|
零點平衡 |
≤1% R.O. |
|
溫度補償范圍 |
-10 ~ 70°C |
|
工作溫度范圍 |
-20 ~ 80°C |
|
溫度對額定輸出的影響 |
≤0.02% LOAD/10°C |
|
溫度對零點平衡的影響 |
≤0.03% R.O./10°C |
|
輸入阻抗 |
700 Ohms ±3.5Ohms |
|
輸出阻抗 |
700 Ohms ± 3.5 Ohms |
|
絕緣電阻 |
2000 MOhms at 50V DC |
|
激勵電壓 |
10V(推薦), 15V(最大) |
|
電氣連接 |
Ø7mmx6m(22AWG x 4Core Shielded) |
|
防護等級 |
符合 IP 67 |
|
安全過載 |
150% R.C |
|
極限過載 |
300% R.C |

BONGSHIN稱重傳感器型號
CR-200kg 、CR-300kg 、CR-500kg 、CR-1t 、CR-2t、 CR-3t 、CR-5t、 CR-10t、 CR-20t
CRU-200kg 、CRU-300kg 、CRU-500kg 、CRU-1t 、CRU-2t、 CRU-3t、 CRU-5t、 CRU-10t、 CRU-20t
CRC-200kg、 CRC-300kg 、CRC-500kg、 CRC-1t、 CRC-2t、 CRC-3t 、CRC-5t 、CRC-10t、 CRC-20t
CRD-200kg、 CRD-300kg 、CRD-500kg、 CRD-1t 、CRD-2t、 CRD-3t、 CRD-5t、 CRD-10t 、CRD-20t
TR-50kg 、TR-100kg 、TR-200kg 、TR-300kg 、TR-500kg 、TR-1t、 TR-2t 、TR-3t 、TR-5t 、TR-10t、 TR-20t
CRU-50kg 、CRU-100kg 、CRU-200kg、 CRU-300kg 、CRU-500kg 、CRU-1t、 CRU-2t 、CRU-3t 、CRU-5t 、CRU-10t 、CRU-20t
CRC-50kg 、CRC-100kg 、CRC-200kg 、CRC-300kg、 CRC-500kg 、CRC-1t 、CRC-2t CRC-3t、 CRC-5t 、CRC-10t 、CRC-20t
CRD-50kg、 CRD-100kg 、CRD-200kg、 CRD-300kg、 CRD-500kg、 CRD-1、t CRD-2t 、CRD-3t 、CRD-5t 、CRD-10t 、CRD-20t
BCCU-10t 、BCCU-20t 、BCCU-30t BCCU-50t
CCDH-10t 、CCDH-20t、 CCDH-30t、 CCDH-50t、 CCDH-100t、 CCDH-200t、 CCDH-300t 、CCDH-500t
CCDHS-10t、 CCDHS-20t 、CCDHS-30t、 CCDHS-50t 、CCDHS-100t 、CCDHS-200t 、CCDHS-300t CCDHS-500t
CCDM-10t 、CCDM-20t、 CCDM-30t 、CCDM-50t、 CCDM-100t 、CCDM-200t 、CCDM-300t
CCDD-100t 、CCDD-200t、 CCDD-300t CCDD-500t
FACC2-100t
CDFS-10kg、 CDFS-30kg、 CDFS-50kg、 CDFS-100kg 、CDFS-200kg
CDFSA-10kg 、CDFSA-30kg、 CDFSA-50kg、 CDFSA-100kg 、CDFSA-200kg
CDFSB-10kg 、CDFSB-30kg 、CDFSB-50kg 、CDFSB-100kg、 CDFSB-200kg
CDFSC-10kg 、CDFSC-30kg 、CDFSC-50kg 、CDFSC-100kg、 CDFSC-200kg
CBES-50kg 、CBES-100kg、 CBES-200kg、 CBES-500kg、 CBES-1000kg 、CBES-2000kg
DSCS-200kg、 DSCS-500kg 、DSCS-1000kg
DSCH-1t、 DSCH-2t 、DSCH-3t、 DSCH-5t DSCH-10t、 DSCH-20t
DSCHS-1t、 DSCHS-2t 、DSCHS-3t、 DSCHS-5t、 DSCHS-10t 、DSCHS-20t
DSCK-1t 、DSCK-2t、 DSCK-3t、 DSCK-5t、 DSCK-10t、 DSCK-20t
CSDH-30t、 CSDH-50t 、CSDH-100t
CSDH-1、t CSDH-2t 、CSDH-3t 、CSDH-5t 、CSDH-10t 、CSDH-20t、CBES-50kg、 CBES-100kg 、CBES-200kg、 CBES-500kg 、CBES-1t、 CBES-2t、 CBES-3t、 CBES-5t、 CBES-10t 、CBES-20t
CMCS-500kg 、CMCS-1t、 CMCS-2t CMCS-5t CMCS-10t
CBMS-3kg、 CBMS-5kg、 CBMS-10kg、 CBMS-20kg CBMS-30kg
CBFS-3kg、 CBFS-5kg、 CBFS-10kg、 CBFS-30kg、 CBFS-50kg、 CBFS-100kg、 CBFS-200kg、 CBFS-300kg 、CBFS-500kg 、CBFS-1000kg
CWFS-20kg、 CWFS-50kg、 CWFS-100kg 、CWFS-200kg
CW63-100kN 、CW63S-100kN
CS86A-2t
DBCM-10kg、 DBCM-20kg 、DBCM-30kg、 DBCM-50kg、 DBCM-100kg
DBBP-20kg、 DBBP-50kg 、DBBP-100kg 、DBBP-200kg 、DBBP-500kg、 DBBP-1t、 DBBP-2t、 DBBP-3t 、DBBP-5t
DBWR-500、kg DBWR-1t 、DBWR-2t 、DBWR-3t 、DBWR-5t
DBHS-50kg、 DBHS-100kg、 DBHS-200kg、 DBHS-500kg、 DBHS-1t
OBBS-20kg 、OBBS-50kg、 OBBS-100kg、 OBBS-200kg、 OBBS-300kg 、OBBS-500kg
OBBS2-20kg、 OBBS2-50kg、 OBBS2-100kg 、OBBS2-200kg、 OBBS2-300kg 、OBBS2-500kg
OBBA-10kg 、OBBA-20kg、 OBBA-50kg 、OBBA-100kg 、OBBA-200kg 、OBBA-300kg
OBBN-20kg 、OBBN-50kg 、OBBN-100kg 、OBBN-200kg、 OBBN-300kg
OSBH-200kg 、OSBH-500kg 、OSBH-1t、 OSBH-2t 、OSBH-3t 、OSBH-5t、 OSBH-10t
OSBHA-200kg 、OSBHA-500kg、 OSBHA-1t、 OSBHA-2t 、OSBHA-3t、 OSBHA-5t 、OSBHA-10t
OSBHB-200kg 、OSBHB-500kg、 OSBHB-1t 、OSBHB-2t 、OSBHB-3t、 OSBHB-5t、 OSBHB-10t
OSBHC-200kg 、OSBHC-500kg 、OSBHC-1t 、OSBHC-2t 、OSBHC-3t 、OSBHC-5t 、OSBHC-10t
OSBK-100kg 、OSBK-200kg、 OSBK-500kg、 OSBK-1t 、OSBK-2t 、OSBK-3t 、OSBK-5t OSBK-10t
OSBKA-100kg 、OSBKA-200kg 、OSBKA-500kg 、OSBKA-1t 、OSBKA-2t 、OSBKA-3t 、OSBKA-5t OSBKA-10t
OSBKB-100kg、 OSBKB-200kg 、OSBKB-500kg 、OSBKB-1t 、OSBKB-2t 、OSBKB-3t 、OSBKB-5t OSBKB-10t
OSBKC-100kg 、OSBKC-200kg、 OSBKC-500kg 、OSBKC-1t、 OSBKC-2t、 OSBKC-3t OSBKC-5t OSBKC-10t
OSW-500kg 、OSW-1t 、OSW-2t OSW-3t 、OSW-5t
OSWA-500kg 、OSWA-1t、 OSWA-2t、 OSWA-3t、 OSWA-5t
OSWB-500kg、 OSWB-1t 、OSWB-2t、 OSWB-3t、 OSWB-5t
OSWC-500kg 、OSWC-1t、 OSWC-2t、 OSWC-3t OSWC-5t
OSBHG-200kg 、OSBHG-500kg、 OSBHG-1t 、OSBHG-2t
OSWG-500kg 、OSWG-1t、 OSWG-1.5t、 OSWG-2t
OBBL-20kg 、OBBL-50kg 、OBBL-100kg 、OBBL-200kg
CDBH-5t 、CDBH-10t、 CDBH-15t 、CDBH-10klbs 、CDBH-20klbs、 CDBH-25klbs 、CDBH-35klbs
OBUG-1kg 、OBUG-2kg 、OBUG-3kg
OBUH-5kg、 OBUH-7kg 、OBUH-10kg 、OBUH-15kg 、OBUH-30kg 、OBUH-50kg 、OBUH-100kg
OBUHS-15kg、 OBUHS-30kg、 OBUHS-50kg OBUHS-100kg
OBU-1kg、 OBU-3kg 、OBU-6kg 、OBU-10kg 、OBU-25kg、 OBU-30kg、 OBU-50kg、 OBU-52kg、 OBU-100kg 、OBU-150kg、 OBU-250kg
OBUX-50kg 、OBUX-100kg、 OBUX-200kg 、OBUX-300kg 、OBUX-500kg
BMA21-20kg 、BMA21-50kg 、BMA21-100kg 、BMA21-200kg、 BMA21-300kg 、BMA21-500kg
BMA22-20kg、 BMA22-50kg、 BMA22-100kg、 BMA22-200kg、 BMA22-300kg 、BMA22-500kg
BMK11-100kg、 BMK11-200kg、 BMK11-500kg、 BMK11-1t 、BMK11-2t、 BMK11-3t 、BMK11-5t
BMK21-100kg、 BMK21-200kg、 BMK21-500kg 、BMK21-1t、 BMK21-2t 、BMK21-3t BMK21-5t
BMK22-100kg 、BMK22-200kg、 BMK22-500kg 、BMK22-1t BMK22-2t、 BMK22-3t、 BMK22-5t
BMH11-1t 、BMH11-2t 、BMH11-3t BMH11-5t 、BMH11-10t
BMH21-1t 、BMH21-2t BMH21-3t、 BMH21-5t 、BMH21-10t
BMH22-1t、 BMH22-2t、 BMH22-3t、 BMH22-5t、 BMH22-10t
BMD-5t、 BMD-10t、 BMD-15t
CDBM-5t 、CDBM-10t、 CDBM-15t
CDUP-15t 、CDUP-25t
OSWXM-500kg、 OSWXM-1t 、OSWXM-2t
OSWXL-3t 、OSWXL-5t
DBXE-1t、 DBXE-2t 、DBXE-3t
CLWXE-2t 、CLWXE-3t 、CLWXE-5t 、CLWXE-10t 、CLWXE-15t
TLC-500kg 、TLC-1t TLC-2t、 TLC-3t、 TLC-5t
TLH-10t、 TLH-20t 、TLH-30t 、TLH-50t
BTA-5kN 、BTA-10kN、 BTA-16kN 、BTA-20kN、 BTA-30kN、 BTA-50kN
BTV-50kN 、BTV-70kN 、BTV-100kN
BCH-1t 、BCH-2t、 BCH-3t 、BCH-5t 、BCH-10t 、BCH-20t 、BCH-30t 、BCH-50t
CS61-1t,、 CS61-2t, CS61-3t
CWFK-10t、CWFK-20t, CWFK-50t、 CWFK-100t、CWFK-150t、CWFK-200t
PSA-50kg、PSA-100kg、 PSA-200kg、 PSA-300kg
CSDKA-2t、CSDKA-3t、 CSDKA-5t、CSDKA-10t、CSDKA-20t、 CSDKA-30t、CSDKA-50t
本站內容未經許可禁止復制轉載!©2002 廣州南創電子科技有限公司
聯系電話:020-82303306 公司傳真:020-82303511下班及雙休日請撥打各品牌負責人電話電話詳情
備案號: 粵ICP備11086172號-1