11年專業銷售工程師-徐工
15年專業銷售工程師-謝工
9年專業銷售工程師-王工
6年銷售工程師-張工
項目產品選型、技術指導高級電器工程師-李工
| 分類 | |
| 品牌 |
| 分類 | |
| 品牌 |
| 分類 | |
| 品牌 |
| 分類 |
|
| 品牌 |
|
優勢一:廣州南創是一家大型傳感器、儀器儀表、工業備品備件供應商!中國傳感器聯合會誠信“AAA”級成員,多家世界知名傳感企業中國市場開拓核心合作伙伴;
優勢二:完善的全國銷售服務網絡:12個區域辦事處、20個分公司、遍布全國的售后服務網點,為您及時便捷實現上門無憂售后服務;
優勢三:為國內多家知名大中型工業企業、航天工業企業提供國際工業自動化控制檢測設備及工業稱重系統和傳感器設備儀表,緊密依托中科院及清華大學的技術支持合作交流。技術、產品可靠值得信賴;
優勢四:鄭重承諾:三個月內產品有質量問題無條件退換貨;
優勢五:資深工程師為您提供全方位完善的一條龍銷售服務指導,售前專業方案設計、產品選型指導,售中安裝調試,售后三年上門免費跟蹤維修服務;
優勢六:全國優勢價格支持銷售,凡在我們公司購買產品,如果同類產品高于主流市場價格,我們雙倍補還差價,性價比高!
優勢七:我公司在國外設有7個境外專業采購中心,保證原裝進口,貨期快捷,價格具有優勢,可靠、放心
優勢八:我公司代理經銷169個品牌,全國同類產品系列全、品種多、多家知名企業中國合作伙伴代理。
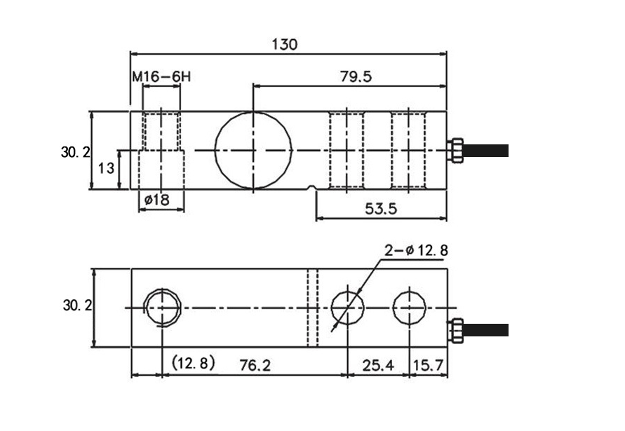
臺灣UTE稱重傳感器ues-250kg更多產品詳細資料請點擊:UTE稱重傳感器,進入頁面可查找臺灣聯貿稱重傳感器ues-250型號技術參數選型資料,以及UTE稱重傳感器具體安裝技術指導信息。
產品英文名稱:臺灣UTE稱重傳感器
產品中文名稱:臺灣聯貿稱重傳感器
產品品牌:臺灣UTE 聯貿
產品價格:電話咨詢報價(020-82303306)
購買臺灣UTE稱重傳感器ues-250kg請務必認準【廣州★南創】銷售商官網,全國服務電話:020-82303306,我們鄭重承諾:“三個月內不滿意隨時無條件退換貨, 退還全部貨款,不收任何費用,質保兩年,提供終身免費維護!”
供貨商:廣州南創電子科技有限公司
產品型號:ues-250kg
產品系列:ues稱重傳感器
產品種類:稱重傳感器
產品規格:(多系列多個規格可選)



UES-0.25t;UES-0.5t;UES-1t;UES-2t;UES-2.5t;UES-5t;UES-10t
UTE拉壓力雙向S型結構USS-500Kg稱重傳感器 UTE拉壓力雙向S型結構USS-1000Kg稱重傳感器 UTE拉壓力雙向S型結構USS-2000Kg稱重傳感器 UTE拉壓力雙向S型結構UNS-100Kg稱重傳感器
UTE拉壓力雙向S型結構UNS-200Kg稱重傳感器UTE拉壓力雙向S型結構UNS-300Kg稱重傳感器UTE拉壓力雙向S型結構UNS-500Kg稱重傳感器UEA-35荷重元,單點式UEA-35Kg稱重傳感器
UEA-60荷重元,單點式UEA-60Kg稱重傳感器UEA-100荷重元,單點式UEA-100Kg稱重傳感器UEA-200荷重元,單點式UEA-200Kg稱重傳感器UEA-300荷重元,單點式UEA-300Kg稱重傳感器
UEA-500荷重元,單點式UEA-500Kg稱重傳感器UEAX-60荷重元,單點式UEAX-35Kg稱重傳感器UEAX-100荷重元,單點式UEAX-100Kg稱重傳感器UEAX-200荷重元,單點式UEAX-200Kg稱重傳感器
UEAX-300荷重元,單點式UEAX-300Kg稱重傳感器UEAX-500荷重元,單點式UEAX-500Kg稱重傳感器拉壓力雙向S型結構UBS-1t稱重傳感器拉壓力雙向S型結構UBS-2t稱重傳感器
拉壓力雙向S型結構UBS-5t稱重傳感器拉壓力雙向S型結構UBS-10t稱重傳感器拉壓力雙向S型結構UBS-15t稱重傳感器柱式URS-2Kg稱重傳感器柱式URS-5Kg稱重傳感器柱式URS-10Kg稱重傳感器柱式URS-20Kg稱重傳感器
柱式URS-50Kg稱重傳感器柱式URS-100Kg稱重傳感器柱式URS-200Kg稱重傳感器
臺灣UTE全系列稱重傳感器,臺灣聯貿S型稱重傳感器,拉壓雙向結構受力,廣泛用于吊鉤秤、配料秤、包裝秤、機電結合秤、拉壓力試驗機、工業及自動化設備力值檢測和測試領域。
臺灣UTE稱重傳感器其他相關系列產品介紹:當UTE稱重傳感器ues-500kg常用到的三種判斷傳感器好壞的方法,一是測量法,二是輸出信號判斷法,三是判斷法。
UTE稱重傳感器ues-1t不加電的情況下,分別進行測量:測量1、4端的電阻380Ω±5Ω;測量2、3端的電阻為350Ω±3Ω;測量1、2端,測量1、3端電阻應該相等,大約300Ω±3Ω;測量4、2端,測量4、3端電阻應該相等,大約300Ω±3Ω。電阻值根據具體的傳感器大小會有所不同;如果根據以上的測量方法得出的電阻大小不等,那么說明傳感器可能已損壞,需要及時更換。
UTE稱重傳感器ues-2.5t輸出信號判斷法有時傳感器損壞,但阻抗沒有很大變化,如果采用阻抗法無法檢測出傳感器的好壞,可以采用此法作進一步地檢測。給儀表送電后,逐個將傳感器的輸出線拆掉,注意在在拆線過程中必須特別小心操作以防觸電,且不能將輸出線與輸入激勵線短路。在空載情況下,用萬用表直流mV檔測其輸出線的mV值。 假定額定激勵電壓為U(V),傳感器的靈敏度為M(mV/V),傳感器載荷重量為K(kg),傳感器的額定容量為F(kg),則每只傳感器輸出電壓應為:U×M×K/F(mV) ,同一衡器同型號的傳感器在無載荷情況下其輸出mv值基本一致。如果超出計算值或傳感器的額定輸出且輸出不穩定,那么就可以判斷該只傳感器有故障。以目前使用的傳感器為例,其靈敏度為2mV/V (稱重傳感器靈敏度用mV/V表示,具體含義是當橋路激勵電壓輸入1V時對應滿量程時的輸出電壓值)。
UTE傳感器ues-5t排除法如果使用以上兩種方法無法檢測出故障傳感器,那么就可以考慮試一試排除法。把所有傳感器的連線拆掉,先接入一個傳感器的信號,如果秤顯示正常,可以將傳感器逐并聯接入,觀察顯示情況,接入某個后顯示不穩定,則該只為故障傳感器。或采用在通電情況下,逐個拆下傳感器的方法,當拆下某只傳感器,顯示正常了,則剛拆下的那只傳感器存在故障問題。
以上是臺灣UTE稱重傳感器產品相關銷售商官網、聯貿稱重傳感器ues-250kg廠家電話、ues-250稱重傳感器型號類別技術參數選型安裝等資料信息,如果有關UTE傳感器其他相關方面需要,可直接電話聯系臺灣UTE稱重傳感器ues-500kg風扇電機相關負責工程師咨詢020-82303306。
【廣州★南創】:銷售臺灣UTE ues-250kg稱重傳感器【銷售商】價格好,電話020-82303306可了解臺灣聯貿ues-250稱重傳感器多少錢中國官網、廠家、及產品報價等信息" 。
上一篇: 臺灣UTE聯貿稱重傳感器 電子稱重顯示器
下一篇:USS稱重傳感器 臺灣UTE聯貿
本站內容未經許可禁止復制轉載!©2002 廣州南創電子科技有限公司
聯系電話:020-82303306 公司傳真:020-82303511下班及雙休日請撥打各品牌負責人電話電話詳情
備案號: 粵ICP備11086172號-1